Bitte um Hilfe beim Entwurf der Stromkreise
Bitte um Hilfe beim Entwurf der Stromkreise
Ich plane derzeit eine mittelgrosse H0-Anlage (Märklin mit C-Gleisen), auf der ich aufgrund des älteren Rollmaterials und Gründen der Kostenersparnis analog fahren möchte.
Mein Streckenentwurf steht soweit, jedoch habe ich folgendes Problem. Ich möchte zwei getrennte Stromkreise/Schienenstränge (A und B) mit zwei unterschiedlichen Fahrtreglern betreiben - so weit, so gut. Diese getrennten Schienenstränge möchte ich durch einen dritten Schienenstrang (C) verbinden.
Ich bräuchte jetzt aber eine Schaltung mit der ich wahlweise C zu A oder C zu B hinzuschalten kann. Diese Schaltung muss aber so konstruiert sein, dass es nie zu einer Zusammenschaltung von A, B und C kommen kann (z.B. wenn der Schalter in Mittelstellung ist).
Wie kann man so etwas ohne Oberleitung lösen?
Im Internet habe ich leider nix gefunden, außer den Rat auf Digital umzusteigen - das ist aber momentan für mich keine Option. Gewarnt wurde ich auch vom Problem der "Rücktransformation" ... was genau ist das eigentlich bzw. was kann da passieren?
Danke für jede Hilfe - liebe Grüsse aus Österreich!
Mein Streckenentwurf steht soweit, jedoch habe ich folgendes Problem. Ich möchte zwei getrennte Stromkreise/Schienenstränge (A und B) mit zwei unterschiedlichen Fahrtreglern betreiben - so weit, so gut. Diese getrennten Schienenstränge möchte ich durch einen dritten Schienenstrang (C) verbinden.
Ich bräuchte jetzt aber eine Schaltung mit der ich wahlweise C zu A oder C zu B hinzuschalten kann. Diese Schaltung muss aber so konstruiert sein, dass es nie zu einer Zusammenschaltung von A, B und C kommen kann (z.B. wenn der Schalter in Mittelstellung ist).
Wie kann man so etwas ohne Oberleitung lösen?
Im Internet habe ich leider nix gefunden, außer den Rat auf Digital umzusteigen - das ist aber momentan für mich keine Option. Gewarnt wurde ich auch vom Problem der "Rücktransformation" ... was genau ist das eigentlich bzw. was kann da passieren?
Danke für jede Hilfe - liebe Grüsse aus Österreich!
Re: Bitte um Hilfe beim Entwurf der Stromkreise
Moin,
haben die Kreise jeweils einen eigenen Trafo?
haben die Kreise jeweils einen eigenen Trafo?
Gruß vom N-Bahner GüNNi
Surftipps: Polizeimuseum
Pressemitteilungen von Polizei, Feuerwehr und Zoll.
Surftipps: Polizeimuseum
Pressemitteilungen von Polizei, Feuerwehr und Zoll.
Re: Bitte um Hilfe beim Entwurf der Stromkreise
Ja, je Stromkreis/Schienenstrang (A und B) ist ein eigener Trafo vorhanden.
Re: Bitte um Hilfe beim Entwurf der Stromkreise
Moin,
dann gehe ich Recht in der Annahme, dass C entweder von A oder B gespeist wird.
Ok, ich nehme mir nun Papier und Bleistift und fange an zu zeichnen.
dann gehe ich Recht in der Annahme, dass C entweder von A oder B gespeist wird.
Ok, ich nehme mir nun Papier und Bleistift und fange an zu zeichnen.
Gruß vom N-Bahner GüNNi
Surftipps: Polizeimuseum
Pressemitteilungen von Polizei, Feuerwehr und Zoll.
Surftipps: Polizeimuseum
Pressemitteilungen von Polizei, Feuerwehr und Zoll.
Re: Bitte um Hilfe beim Entwurf der Stromkreise
Exakt!
Und ich möchte nun wahlweise C zu A oder B hinzuzuschalten. Mir ist aber nicht klar, mit welchem Schaltertyp ich dass bewerkstelligen kann. Ich bräuchte einen Schalter, der mir Leiter und Nullleiter (Masse) zuverlässig schaltet. Der Schalter darf während des Schaltvorganges keine Verbindung zwischen A und B erzeugen!
Und ich möchte nun wahlweise C zu A oder B hinzuzuschalten. Mir ist aber nicht klar, mit welchem Schaltertyp ich dass bewerkstelligen kann. Ich bräuchte einen Schalter, der mir Leiter und Nullleiter (Masse) zuverlässig schaltet. Der Schalter darf während des Schaltvorganges keine Verbindung zwischen A und B erzeugen!
Re: Bitte um Hilfe beim Entwurf der Stromkreise
Moin,
Du verwendest den Schalter DS 4 von Reichelt.
Du verwendest den Schalter DS 4 von Reichelt.
- Dateianhänge
-
- 3Gleise2Trafos.jpg (25.93 KiB) 1183 mal betrachtet
Gruß vom N-Bahner GüNNi
Surftipps: Polizeimuseum
Pressemitteilungen von Polizei, Feuerwehr und Zoll.
Surftipps: Polizeimuseum
Pressemitteilungen von Polizei, Feuerwehr und Zoll.
Re: Bitte um Hilfe beim Entwurf der Stromkreise
Moin,
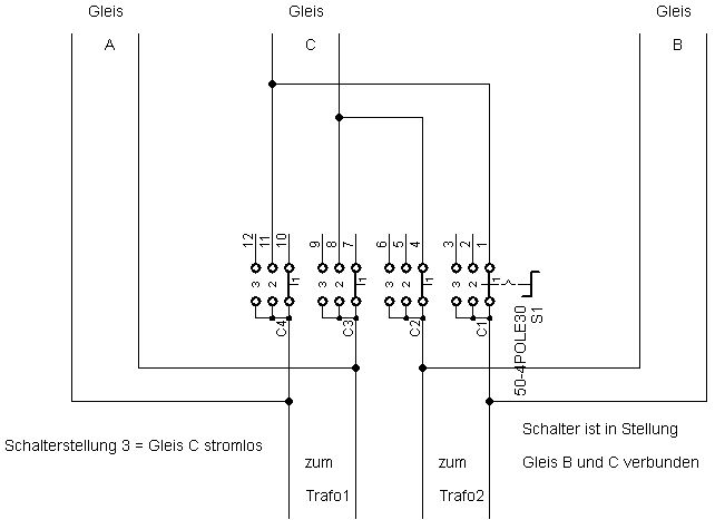
wenn Du die Anschlüsse des Schalters wie folgt änderst: 11 auf 12 und 8 auf 9 dann ist die Mittelstellung stromlos für Gleis C.
wenn Du die Anschlüsse des Schalters wie folgt änderst: 11 auf 12 und 8 auf 9 dann ist die Mittelstellung stromlos für Gleis C.
Gruß vom N-Bahner GüNNi
Surftipps: Polizeimuseum
Pressemitteilungen von Polizei, Feuerwehr und Zoll.
Surftipps: Polizeimuseum
Pressemitteilungen von Polizei, Feuerwehr und Zoll.
- HaNull
- Forumane
- Beiträge: 4381
- Registriert: Freitag 2. Februar 2007, 01:47
- Wohnort: Rhein-Sieg-Kreis
Re: Bitte um Hilfe beim Entwurf der Stromkreise
Hallo!
Rücktransformation: ist ein Trafo eingesteckt, der andere ausgesteckt, und die Ausgänge der Trafos sind verbunden (z. B. durch einen Mittelschleifer), dann liegen am ausgesteckten Stecker ohne diesen Schutz ca. 230 Volt an.
Es reicht ein einpoliger Umschalter (on-off-on), da nur der Mittelleiter umgeschaltet werden muss. Die Schienen können verbunden werden.
Bei neuen Trafos mit Rücktransformationsschutz kann man sich das schenken.
Bei alten Trafos hat Märklin immer empfohlen, diese immer eingesteckt zu lassen und über eine Steckerleiste zu schalten.
Aktuelle Märklin-Trafos haben einen Rücktransformationsschutz.rockhouse hat geschrieben:Gewarnt wurde ich auch vom Problem der "Rücktransformation" ... was genau ist das eigentlich bzw. was kann da passieren?
Rücktransformation: ist ein Trafo eingesteckt, der andere ausgesteckt, und die Ausgänge der Trafos sind verbunden (z. B. durch einen Mittelschleifer), dann liegen am ausgesteckten Stecker ohne diesen Schutz ca. 230 Volt an.
Es reicht ein einpoliger Umschalter (on-off-on), da nur der Mittelleiter umgeschaltet werden muss. Die Schienen können verbunden werden.
Bei neuen Trafos mit Rücktransformationsschutz kann man sich das schenken.
Bei alten Trafos hat Märklin immer empfohlen, diese immer eingesteckt zu lassen und über eine Steckerleiste zu schalten.
████████ Gruß aus NRW
████████ Thomas
████████ Multi-MISTler: 1. Siegburg (RSK) - 2. Köln rrh. - 3. Rheinbreitbach
████████ Thomas
████████ Multi-MISTler: 1. Siegburg (RSK) - 2. Köln rrh. - 3. Rheinbreitbach
-
- Troll, don´t feed me!
- Beiträge: 772
- Registriert: Dienstag 9. Januar 2007, 18:57
- Wohnort: Cincinnati - Ohio - USA
Re: Bitte um Hilfe beim Entwurf der Stromkreise
ich will dir mal ganz ehrlich schreiben , dass du ganz schoen faehig bist, ich hab richtig Achtung vor deinem Wissen ..günni hat geschrieben:.
Ok, ich nehme mir nun Papier und Bleistift und fange an zu zeichnen.

apropo: wenn du in HH bist im MiWuLand schreibe vorher, ich lade dich ein ...

Re: Bitte um Hilfe beim Entwurf der Stromkreise
Auch für Deine Antwort danke ... Ihr seit ja wirklich sehr hilfsbereit hier im Forum.HaNull hat geschrieben: Es reicht ein einpoliger Umschalter (on-off-on), da nur der Mittelleiter umgeschaltet werden muss. Die Schienen können verbunden werden.
Aber habe ich Dich da auch richtig verstanden? Ich kann auf einer analogen Anlage mehrere Stromkreise anlegen (jeweils mit einem eigenen Trafo/Fahrtregler) und muss die Trennungen nur an den Mittelleitern machen? Wäre dann die Schaltung für mein Problem (siehe oben) nicht einfacher hinzubekommen?
Danke und lg aus Österreich!
- HaNull
- Forumane
- Beiträge: 4381
- Registriert: Freitag 2. Februar 2007, 01:47
- Wohnort: Rhein-Sieg-Kreis
Re: Bitte um Hilfe beim Entwurf der Stromkreise
Das ist dann so einfach, dass sich eine Zeichnung dafür eigentlich nicht lohnt.rockhouse hat geschrieben:Wäre dann die Schaltung für mein Problem (siehe oben) nicht einfacher hinzubekommen?
Der Mittelleiter von Teil C wird über einen einpoligen Umschalter mit 3 Stellungen entweder mit dem Mittelleiter von A oder von B verbunden - in der Mittelstellung ist er stromlos.
So ein Schalter hat drei Anschlüsse: A links, B rechts, C in der Mitte.
Brauchst Du Abschnitt C, um dort einen Zug abzustellen?
████████ Gruß aus NRW
████████ Thomas
████████ Multi-MISTler: 1. Siegburg (RSK) - 2. Köln rrh. - 3. Rheinbreitbach
████████ Thomas
████████ Multi-MISTler: 1. Siegburg (RSK) - 2. Köln rrh. - 3. Rheinbreitbach
Re: Bitte um Hilfe beim Entwurf der Stromkreise
C ist Teil eines Güterbahnhofes. Jeder Zug, der von A kommt und in C stehen bleibt, kann nach Umschaltung (C an B) nach B weiterfahren bzw. umgekehrt.
- HaNull
- Forumane
- Beiträge: 4381
- Registriert: Freitag 2. Februar 2007, 01:47
- Wohnort: Rhein-Sieg-Kreis
Re: Bitte um Hilfe beim Entwurf der Stromkreise
Dann geht es wie beschrieben mit einem einpoligen Ein-Aus-Ein-Kippschalter (typischerweise 3 Anschlüsse).
Wo willst Du kaufen? Könnte ich Dir bei Reichelt oder Conrad raussuchen, aber vielleicht ziehst Du andere Lieferanten vor (Vermeidung von Auslandsporto).
Wo willst Du kaufen? Könnte ich Dir bei Reichelt oder Conrad raussuchen, aber vielleicht ziehst Du andere Lieferanten vor (Vermeidung von Auslandsporto).
████████ Gruß aus NRW
████████ Thomas
████████ Multi-MISTler: 1. Siegburg (RSK) - 2. Köln rrh. - 3. Rheinbreitbach
████████ Thomas
████████ Multi-MISTler: 1. Siegburg (RSK) - 2. Köln rrh. - 3. Rheinbreitbach
Re: Bitte um Hilfe beim Entwurf der Stromkreise
Ja bitte - bin über jeden Tip dankbar!
Wenn möglich bitte Conrad - Reichelt liefert nach Österreich erst ab EUR 150,- Auftragswert.
An alle, die mir geholfen haben: Danke für Eure großartige Unterstützung!
Wenn möglich bitte Conrad - Reichelt liefert nach Österreich erst ab EUR 150,- Auftragswert.
An alle, die mir geholfen haben: Danke für Eure großartige Unterstützung!
Re: Bitte um Hilfe beim Entwurf der Stromkreise
Moin,
hier der Link zum Umschalter. Mittelstellung = Gleis C aus.
hier der Link zum Umschalter. Mittelstellung = Gleis C aus.
- Dateianhänge
-
- umschalt1.jpg (5.25 KiB) 1156 mal betrachtet
Gruß vom N-Bahner GüNNi
Surftipps: Polizeimuseum
Pressemitteilungen von Polizei, Feuerwehr und Zoll.
Surftipps: Polizeimuseum
Pressemitteilungen von Polizei, Feuerwehr und Zoll.
Re: Bitte um Hilfe beim Entwurf der Stromkreise
Danke für die prompte Antwort!
Ich werde es mal so probieren.
Mir ist aber noch nicht ganz klar, warum das funktioniert. Warum muss nur der Mittelleiter getrennt werden? Ich dachte immer damit ist ein Kurzschluss vorprogrammiert.
Nachtrag: Habe jetzt noch einmal nachgedacht. Ist eigentlich ja logisch, dass das geht. Das ist ja auch die Grundlage für einen unabhäbigen Zweizugbetrieb auf dem gleichen Schienenstrang (Stromaufnahme einmal über eine Oberleitung, einmal über das Gleis).
Ich werde es mal so probieren.
Mir ist aber noch nicht ganz klar, warum das funktioniert. Warum muss nur der Mittelleiter getrennt werden? Ich dachte immer damit ist ein Kurzschluss vorprogrammiert.
Nachtrag: Habe jetzt noch einmal nachgedacht. Ist eigentlich ja logisch, dass das geht. Das ist ja auch die Grundlage für einen unabhäbigen Zweizugbetrieb auf dem gleichen Schienenstrang (Stromaufnahme einmal über eine Oberleitung, einmal über das Gleis).
Re: Bitte um Hilfe beim Entwurf der Stromkreise
Moin,
die Schiene dient bei M* als gemeinsamer Rückleiter.
die Schiene dient bei M* als gemeinsamer Rückleiter.
Gruß vom N-Bahner GüNNi
Surftipps: Polizeimuseum
Pressemitteilungen von Polizei, Feuerwehr und Zoll.
Surftipps: Polizeimuseum
Pressemitteilungen von Polizei, Feuerwehr und Zoll.
- Kai Eichstädt
- Forumane
- Beiträge: 2752
- Registriert: Samstag 19. Juni 2004, 23:32
- Wohnort: Flensburg
- Kontaktdaten:
Re: Bitte um Hilfe beim Entwurf der Stromkreise
Moin,

Gruß
Kai
oder auch kurz gesagt: Strom fließt nur dann, wenn der Stromkreis (Stromquelle - Verbraucher - Stromquelle) geschlossen ist!rockhouse hat geschrieben:Mir ist aber noch nicht ganz klar, warum das funktioniert. Warum muss nur der Mittelleiter getrennt werden? Ich dachte immer damit ist ein Kurzschluss vorprogrammiert.
Nachtrag: Habe jetzt noch einmal nachgedacht. Ist eigentlich ja logisch, dass das geht. Das ist ja auch die Grundlage für einen unabhäbigen Zweizugbetrieb auf dem gleichen Schienenstrang (Stromaufnahme einmal über eine Oberleitung, einmal über das Gleis).

Gruß
Kai
Re: Bitte um Hilfe beim Entwurf der Stromkreise
Hallo Kai,Kai Eichstädt hat geschrieben: oder auch kurz gesagt: Strom fließt nur dann, wenn der Stromkreis (Stromquelle - Verbraucher - Stromquelle) geschlossen ist!
ja das ist mir schon klar. Nur was ich ehrlich gesagt nicht ganz kapier ist die Tatsache, dass ich bei mehreren Stromkreisen (mit jeweils eigenem Trafo/Fahrtregler) nur die Mittelleiter isolieren muss - und nicht die Nulleiter.
Aber wie gesagt, sonst täte es mit der Oberleitung ja auch nicht funktionieren.