Roco Bremsgenerator
-
Moduler
Roco Bremsgenerator
Hallo
Info:
Spurweite: H0
System: Gleichstrom
Steuerung: Loks Digital(Multimaus,Roco), Weichen und Signale Analog
nun die Frage
es gibt ja von Roco einen Bremsgenerator, kann ich diesen auch ohne die Multimaus betätigen. Vielleicht hat ja jemand diesen schonmal umgebaut, oder kennt jemand vlt. eine andere Lösung.
Mein Problem ist das ich die Weichen und Signale Analog schalten will, über ein gutes altes Gleisbildstellpult. Dann wäre es besser wenn ich ein Hauptsignal auf Rot stelle das automatisch der Bremsgenerator auf Bremsen stellt.
Bin euch schonmal für eure Antworten im vorraus Dankbar
mfg Lars
Info:
Spurweite: H0
System: Gleichstrom
Steuerung: Loks Digital(Multimaus,Roco), Weichen und Signale Analog
nun die Frage
es gibt ja von Roco einen Bremsgenerator, kann ich diesen auch ohne die Multimaus betätigen. Vielleicht hat ja jemand diesen schonmal umgebaut, oder kennt jemand vlt. eine andere Lösung.
Mein Problem ist das ich die Weichen und Signale Analog schalten will, über ein gutes altes Gleisbildstellpult. Dann wäre es besser wenn ich ein Hauptsignal auf Rot stelle das automatisch der Bremsgenerator auf Bremsen stellt.
Bin euch schonmal für eure Antworten im vorraus Dankbar
mfg Lars
-
99651
Hallo Lars,
den Bremsgenerator kannst du auch mit einer analogen Singalsteurung einsetzen.
Erstmal noch ein paar Sätze zur Funktionsweise. Der Bremsgenerator funktioniert eigentlich wie eine zweite Zentrale. Er ließt das Signal der eigentlichen Zentrale mit und verändert dann die Geschwindigkeitsbefehle für alle Lokomotiven auf 0, so dass diese anhalten.
Dafür wird der Bremsabschnitt allpolig vom Rest der Anlage getrennt und wenn gebremst werden soll, wird das Digitalsignal durch dass des Bremsgenerators ersetzt. Dafür kannst du ohne Probleme einen zweipoligen Umschalter / Relais ... verwenden und das mit deiner Signalsteuerung kombinieren. Wichtig ist allerdings, dass die Trenstellen des Bremsabschnittes dann nicht mehr überfahren werden dürfen, da durch das unterschiedliche Digitalsignal sonst ein Kurzschluss entsteht. Du darfst den Bremsabschnitt also erst umschalten, wenn sich der komplette Zug in dem Abschnitt befindet.
Ich hoffe diese Erklärung hilft dir weiter.
Gruß
Michael
den Bremsgenerator kannst du auch mit einer analogen Singalsteurung einsetzen.
Erstmal noch ein paar Sätze zur Funktionsweise. Der Bremsgenerator funktioniert eigentlich wie eine zweite Zentrale. Er ließt das Signal der eigentlichen Zentrale mit und verändert dann die Geschwindigkeitsbefehle für alle Lokomotiven auf 0, so dass diese anhalten.
Dafür wird der Bremsabschnitt allpolig vom Rest der Anlage getrennt und wenn gebremst werden soll, wird das Digitalsignal durch dass des Bremsgenerators ersetzt. Dafür kannst du ohne Probleme einen zweipoligen Umschalter / Relais ... verwenden und das mit deiner Signalsteuerung kombinieren. Wichtig ist allerdings, dass die Trenstellen des Bremsabschnittes dann nicht mehr überfahren werden dürfen, da durch das unterschiedliche Digitalsignal sonst ein Kurzschluss entsteht. Du darfst den Bremsabschnitt also erst umschalten, wenn sich der komplette Zug in dem Abschnitt befindet.
Ich hoffe diese Erklärung hilft dir weiter.
Gruß
Michael
-
Moduler
Ja vielen Dank für deine Antwort dann werde ich mir eine Schaltung basteln die ich über das Signal schalte. Ich müsste dann ja auch noch das Bahnhofsgleis so einbauen. Ich werde für die Bremsstrecke so ca. 1,75m bis 2m einberechnen.
Mir ging es nur darum das ich nicht immer die Multimaus nehmen muss um den Bremsgenerator zu schalten weil ich über die Multimaus schon recht viele Züge steuern will. Deswegen war mir die Steuerung der Weichen und Signale darüber auch schon zu viel.
mfg Lars
Mir ging es nur darum das ich nicht immer die Multimaus nehmen muss um den Bremsgenerator zu schalten weil ich über die Multimaus schon recht viele Züge steuern will. Deswegen war mir die Steuerung der Weichen und Signale darüber auch schon zu viel.
mfg Lars
-
99651
Da wirst du schon ne passende Schaltung finden. Die Strecke muss halt die Länge des längsten Zuges haben + Bremsweg. Die zweite Herausforderung ist, den Bremsgenerator dann aufs Gleis zu schalten, wenn der Zug am Beginn des Bremsweges ist.
Dafür brauchst du dann noch irgendwelche Sensoren: Lichtschranke, Schaltgleis, Reed, Stromfühler...
Gruß
Michael
Dafür brauchst du dann noch irgendwelche Sensoren: Lichtschranke, Schaltgleis, Reed, Stromfühler...
Gruß
Michael
-
Moduler
Okay vielen Dank
Ich werde einen Hauptstromkreis bauen,
dieser schaltet das Signal auf Rot oder Grün. Wenn es auf Rot steht wird der Stromkreis geschlossen und sobald
der Zug in die Bremsstrecke fährt wird dort der Sensor betätigt dieser aktiviert den Bremsgenerator. Wenn das Signal auf Grün steht ist der
Hauptstromkreis offen und der Sensor reagiert nicht.

Ich bin nicht der große Paint Künstler
mfg Lars
Ich werde einen Hauptstromkreis bauen,
dieser schaltet das Signal auf Rot oder Grün. Wenn es auf Rot steht wird der Stromkreis geschlossen und sobald
der Zug in die Bremsstrecke fährt wird dort der Sensor betätigt dieser aktiviert den Bremsgenerator. Wenn das Signal auf Grün steht ist der
Hauptstromkreis offen und der Sensor reagiert nicht.

Ich bin nicht der große Paint Künstler
mfg Lars
-
99651
Ja so ähnlich sollte das funktionieren, nur dass du mit dem Relais nicht den Bremsgenerator mit Strom versorgen musst, sondern das Gleis zweipolig umschalten. Vom Signal der Zentrale/Booster auf das Ausgangssignal des Bremsgenerators. Und noch ein Hinweis, du brauchst natürlich nicht für jeden Bremsabschnitt einen eigenen Bremsgenerator, man kann damit mehrere Abschnitte gleichzeitig versorgen.
Gruß
Michael
Gruß
Michael
-
Moduler
Ja das hab ich schon gelesen das man mehrere Abschnitte damit versorgen kann, hast du selber einen/mehrere im Einsatz. Wenn ja wie sind deine Erfahrungen damit, hast du dies auch so gelöst oder hast du es ganz anders gelöst. Wird dann aber bei 2,50m langen Zügen schon heftig mit der Länge des Bremsabschnittes.
Wo der Zug stehen bleibt hängt doch davon ab wie die Bremverzögerung eingestellt ist und wie schnell der Zug davor fuhr oder?
Ich seh das nicht so gerne wenn eine kleine Rangierlok z.B. 89 mit 90km/h über die Anlage donnert ich will das lieber Realistisch haben. Nur wenn dann die Lok 200m umgerechnet vor dem Signal steht weil die Bremsstrecke so lang ist, ist das auch nicht das Wahre.
mfg Lars
Wo der Zug stehen bleibt hängt doch davon ab wie die Bremverzögerung eingestellt ist und wie schnell der Zug davor fuhr oder?
Ich seh das nicht so gerne wenn eine kleine Rangierlok z.B. 89 mit 90km/h über die Anlage donnert ich will das lieber Realistisch haben. Nur wenn dann die Lok 200m umgerechnet vor dem Signal steht weil die Bremsstrecke so lang ist, ist das auch nicht das Wahre.
mfg Lars
-
99651
Nein ich habe keinen Bremsgenerator im Einsatz, aber ich habe im Moment leider gar keine funktionierende Bahn zu Hause im Moment.
Ich denke der Bremsgenerator ist schon eine brauchbare Lösung für einen automatisierten Blockstreckenbetrieb. Als Alternative gäbe es noch von Lenz das ABC System, dass aber nicht mit allen Decodern funktioniert. Die andere Variante wären dann eine PC Steuerung.
Das Problem der unterschiedlichen Bremswege hast du aber bei jeder dieser Varianten, lediglich eine PC Steuerung kann da feinfühliger jede Lok individuell abbremsen. Wobei der Unterschied denke ich nicht so groß ist, vor allem wenn man die Decoder alle ähnlich einstellt. Es ist ja auch nicht so, dass die Lok dann am Beginn des Blockabschnittes schon abgebremst wird, sondern erst ab der Stelle wo der Sensor eingebaut ist.
Gruß
Michael
Ich denke der Bremsgenerator ist schon eine brauchbare Lösung für einen automatisierten Blockstreckenbetrieb. Als Alternative gäbe es noch von Lenz das ABC System, dass aber nicht mit allen Decodern funktioniert. Die andere Variante wären dann eine PC Steuerung.
Das Problem der unterschiedlichen Bremswege hast du aber bei jeder dieser Varianten, lediglich eine PC Steuerung kann da feinfühliger jede Lok individuell abbremsen. Wobei der Unterschied denke ich nicht so groß ist, vor allem wenn man die Decoder alle ähnlich einstellt. Es ist ja auch nicht so, dass die Lok dann am Beginn des Blockabschnittes schon abgebremst wird, sondern erst ab der Stelle wo der Sensor eingebaut ist.
Gruß
Michael
-
Moduler
Da heißt es nur Ausprobieren Ausprobieren Ausprobieren...
Aber eine PC Steuerung kommt für mich garnicht in Frage, da ich die Weichen Analog schalten möchte über ein Gleisbildstellpult. Aus meiner Sicht geht der Spielfaktor einer Anlage verloren wenn diese über PC gesteuert wird. Ich persönlich muss vor der Anlage stehen und den Zügen beim Fahren zuschauen können damit ich einen Spielfaktor habe. Wenn ich dann vor einem PC sitze ist das dann für mich nicht mehr gegeben. Der nächste Punkt wär dann auch der Preis, jede Weiche mit Decoder ausrüsten ist nicht gerade günstig. Wenn ich das ganze Material schon hätte wär das was anderes. Ich bin ja schon froh das ich genug Rollmaterial habe, dieses muss zwar noch umgerüsted werden das ist aber das kleinere Übel.
mfg Lars
Aber eine PC Steuerung kommt für mich garnicht in Frage, da ich die Weichen Analog schalten möchte über ein Gleisbildstellpult. Aus meiner Sicht geht der Spielfaktor einer Anlage verloren wenn diese über PC gesteuert wird. Ich persönlich muss vor der Anlage stehen und den Zügen beim Fahren zuschauen können damit ich einen Spielfaktor habe. Wenn ich dann vor einem PC sitze ist das dann für mich nicht mehr gegeben. Der nächste Punkt wär dann auch der Preis, jede Weiche mit Decoder ausrüsten ist nicht gerade günstig. Wenn ich das ganze Material schon hätte wär das was anderes. Ich bin ja schon froh das ich genug Rollmaterial habe, dieses muss zwar noch umgerüsted werden das ist aber das kleinere Übel.
mfg Lars
-
jlast
Re: Roco Bremsgenerator
Hallo ,
bin auch gerade dabei mir den Bremsgenerator einzubauen . Da ich kaum Ahnung von Elektrick habe , bräuchte ich bei schaltplan ! Hat jemand sowas für mich ? Ein paar Tips und Tricks worauf mann Achten muß währen auch nicht schlecht . Was für ein Schaltgleis (auslöser für den Bremsgenerator) brauche ich ? Wie bekommt der Bremsabschnitt strom , wenn der Bremsgenerator nicht aktiv ist ?
lg jlast
bin auch gerade dabei mir den Bremsgenerator einzubauen . Da ich kaum Ahnung von Elektrick habe , bräuchte ich bei schaltplan ! Hat jemand sowas für mich ? Ein paar Tips und Tricks worauf mann Achten muß währen auch nicht schlecht . Was für ein Schaltgleis (auslöser für den Bremsgenerator) brauche ich ? Wie bekommt der Bremsabschnitt strom , wenn der Bremsgenerator nicht aktiv ist ?
lg jlast
Re: Roco Bremsgenerator
Hallo
Da sind, glaube ich, ein paar Gundsätze für den Einsatz eines Bremgenerators zu klären:
Der Signalabschnitt besteht aus einem Fahrabschnitt, dieser sollte so lang sein wie der längste Zug, und einem Bremsabschnitt, hier sollte 1 Meter reichen. (die Lokdekoder sind in ihren Bremseigenschaften so einzustellen, daß der Zug vor dem Signal hält.)
Zur Funktion: Der Zug fährt in den Sig.Abschnitt (Fahrabschnitt) ein. Zunächst passiert garnichts. Erst wenn der Zug den Bremsabschnitt befährt, wird vom Fahrbooster auf den Bremsbooster umgeschaltet.
Der Bremsbooster sendet, wie schon erwähnt, die Fahrstufe 0. Der Lokdekoder regelt nun seine Geschwindigkeit - nach seiner Einstellung- herunter. Der Zug bleibt stehen.
Das Geschick besteht darin, dem Bremsbooster (dem Umschaltrelais) zu sagen, wann er (es) zu schalten hat.
Auf unserer Anlage http://www.MEV-Lehrte.de haben wir Stromfühler. Wenn dann noch alle Achsen mit Widerständen ausgerüstet sind, ist es auch egal ob die Lok vorn oder hinten am Zug ist.
Wenn im der Stromfühler des Bremsabschnitt ein Strom fließt, schaltet das Relais (2 polig UM) vom Fahrbooster auf den Bremsbooster.
Ach ja, das Relais kann natürlich nur Schalten, wenn das Signal "Rot" ist.
Wenn das Signal wieder "Grün" wird, oder ist, fällt das Relais ab, oder ist unwirksam.
Hubert
Da sind, glaube ich, ein paar Gundsätze für den Einsatz eines Bremgenerators zu klären:
Der Signalabschnitt besteht aus einem Fahrabschnitt, dieser sollte so lang sein wie der längste Zug, und einem Bremsabschnitt, hier sollte 1 Meter reichen. (die Lokdekoder sind in ihren Bremseigenschaften so einzustellen, daß der Zug vor dem Signal hält.)
Zur Funktion: Der Zug fährt in den Sig.Abschnitt (Fahrabschnitt) ein. Zunächst passiert garnichts. Erst wenn der Zug den Bremsabschnitt befährt, wird vom Fahrbooster auf den Bremsbooster umgeschaltet.
Der Bremsbooster sendet, wie schon erwähnt, die Fahrstufe 0. Der Lokdekoder regelt nun seine Geschwindigkeit - nach seiner Einstellung- herunter. Der Zug bleibt stehen.
Das Geschick besteht darin, dem Bremsbooster (dem Umschaltrelais) zu sagen, wann er (es) zu schalten hat.
Auf unserer Anlage http://www.MEV-Lehrte.de haben wir Stromfühler. Wenn dann noch alle Achsen mit Widerständen ausgerüstet sind, ist es auch egal ob die Lok vorn oder hinten am Zug ist.
Wenn im der Stromfühler des Bremsabschnitt ein Strom fließt, schaltet das Relais (2 polig UM) vom Fahrbooster auf den Bremsbooster.
Ach ja, das Relais kann natürlich nur Schalten, wenn das Signal "Rot" ist.
Wenn das Signal wieder "Grün" wird, oder ist, fällt das Relais ab, oder ist unwirksam.
Hubert
-
jlast
Re: Roco Bremsgenerator
Hallo ,
das habe ich alles schon verstanden . Kannst du mir sagen was für ein Relai brauche und wie ich das schalten muß ?
Der Bremsgenerator sendet den Bremsstrom ist klar . Und der Fahrstrom , wo kommt der her im Bremsabschnitt , von den normalen Abschnitt und der wird mir hilfe des Relais umgeschaltet ? Richtig ? Wie schalte ich das denn nun . Möchte mit ein normalen Schalter ein Signal Schalten(noch nicht vorhanden) , mit dem Signal wird denn der Bremsgenerator entsprechend (rot , grün ) geschaltet . Hast du ein Schaltplan ?
lg jlast
das habe ich alles schon verstanden . Kannst du mir sagen was für ein Relai brauche und wie ich das schalten muß ?
Der Bremsgenerator sendet den Bremsstrom ist klar . Und der Fahrstrom , wo kommt der her im Bremsabschnitt , von den normalen Abschnitt und der wird mir hilfe des Relais umgeschaltet ? Richtig ? Wie schalte ich das denn nun . Möchte mit ein normalen Schalter ein Signal Schalten(noch nicht vorhanden) , mit dem Signal wird denn der Bremsgenerator entsprechend (rot , grün ) geschaltet . Hast du ein Schaltplan ?
lg jlast
Re: Roco Bremsgenerator
Hallo jlast
Diese Signalsteuerung haben wir im Einsatz
Das Relais ist ein Kammrelais mit 4 Umschaltern
Eben dieses Relais schaltet den Fahrstrom und ggf. den Bremstrom auf den Abschnitt.
Dazu muß noch gesagt werden, daß die Signale auch Zugbeeinflußt wieder auf "Rot" schalten.
Ich hoffe, der Schaltplan ist ausführlich genaug, das auch ein Anderer ihn versteht
Hubert
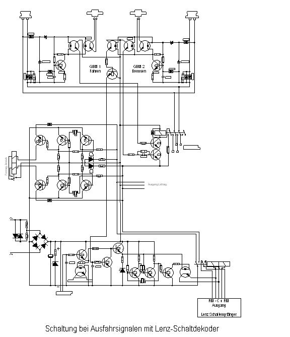
Nach dem ich mir mein Bild angesehen habe, noch ein paar Kommentare:
Oben links und rechts außen ist der Gleisanschluß. Links der vom Fahrabschnitt, rechts der Bremsabschnitt.
Die Ausgänge in der Mitte sind zur Anzeige auf dem Stellpult.
In der Mitte rechts unter dem Relais, der Anschluß der Booster; davon oben der Fahrbooster, unten dann der Bremsbooster.
Rechts vom Relais eine Ansteuerung von Flügelsignalen (Momentkontakt)
Im unteren Teil die zugbeeinflußte "Rotschaltung" vom nächsten Besetztmelder
Diese Signalsteuerung haben wir im Einsatz
Das Relais ist ein Kammrelais mit 4 Umschaltern
Eben dieses Relais schaltet den Fahrstrom und ggf. den Bremstrom auf den Abschnitt.
Dazu muß noch gesagt werden, daß die Signale auch Zugbeeinflußt wieder auf "Rot" schalten.
Ich hoffe, der Schaltplan ist ausführlich genaug, das auch ein Anderer ihn versteht
Hubert
Nach dem ich mir mein Bild angesehen habe, noch ein paar Kommentare:
Oben links und rechts außen ist der Gleisanschluß. Links der vom Fahrabschnitt, rechts der Bremsabschnitt.
Die Ausgänge in der Mitte sind zur Anzeige auf dem Stellpult.
In der Mitte rechts unter dem Relais, der Anschluß der Booster; davon oben der Fahrbooster, unten dann der Bremsbooster.
Rechts vom Relais eine Ansteuerung von Flügelsignalen (Momentkontakt)
Im unteren Teil die zugbeeinflußte "Rotschaltung" vom nächsten Besetztmelder
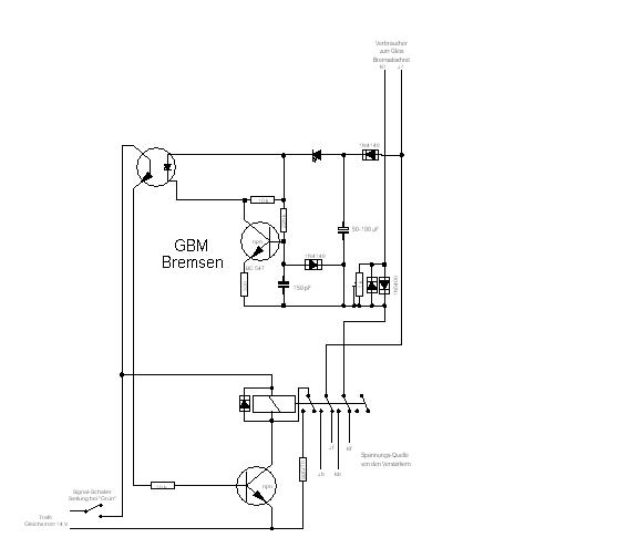
Re: Roco Bremsgenerator
Hallo Leute
Nachdem eine Nacht geschlafen habe,
habe ich hier alles weg gelassen, was nicht unbedingt nötig ist
Hubert
Nachdem eine Nacht geschlafen habe,
habe ich hier alles weg gelassen, was nicht unbedingt nötig ist
Hubert
-
jlast
Re: Roco Bremsgenerator
Hallo ,
Habe jetz alles fahrbereit , wunderbar . Habe zwei ältere Lok´s , die auch wie beschrieben langsam anhalten , alles super .
Und ich besitze eine neue Lok BR110 aus dem Startset Roco 41275 ! Die Lok hält sofort an ohne die eingestellte Verzögerung , als wenn der Strom abgeschaltet ist . Es lassen sich aber alle zusatzfunktionen Schalten . Und wenn ich mit Sound fahre geht er kurz aus und gleich wieder an . Beim anfahren das gleiche mit dem Sound aber sie beschleunigt langsam wie eingestellt .
Wo liegt das Problem . Kann der Decoder das nicht oder muß eine andere Einstellung vorgenommen werden ?
Hoffe um schnelle Hilfe .
lg jlast
Habe jetz alles fahrbereit , wunderbar . Habe zwei ältere Lok´s , die auch wie beschrieben langsam anhalten , alles super .
Und ich besitze eine neue Lok BR110 aus dem Startset Roco 41275 ! Die Lok hält sofort an ohne die eingestellte Verzögerung , als wenn der Strom abgeschaltet ist . Es lassen sich aber alle zusatzfunktionen Schalten . Und wenn ich mit Sound fahre geht er kurz aus und gleich wieder an . Beim anfahren das gleiche mit dem Sound aber sie beschleunigt langsam wie eingestellt .
Wo liegt das Problem . Kann der Decoder das nicht oder muß eine andere Einstellung vorgenommen werden ?
Hoffe um schnelle Hilfe .
lg jlast
Re: Roco Bremsgenerator
Hallo
Wie das hier beschrieben ist, passiert das nur bei dieser einen Lok.
Schalte mal das Licht ein und beobachte die Lok. Geht auch das Licht aus (wie der Sound), dann hat DIE Lok kontaktprobleme.
Hubert
Wie das hier beschrieben ist, passiert das nur bei dieser einen Lok.
Schalte mal das Licht ein und beobachte die Lok. Geht auch das Licht aus (wie der Sound), dann hat DIE Lok kontaktprobleme.
Hubert