Gleichrichter auf Breadboard
-
Throbber
Gleichrichter auf Breadboard
Hallo zusammen, hier bin ich neu.
Um meine Reed-Kontakte auf der Fleischmann-Spur-N-Anlage nun endlich vor dem inneren Verbrennen zu schützen, wollte ich sie mit Transistorschaltungen bestücken, die ich in einem anderen Forum gesehen habe, aber zunächst ohne sie zu löten, also geht's zunächst aufs Breadboard. Die Bauteile für die Schaltung sind in dem Plan, den ich gesehen habe, sehr gut bezeichnet, so dass ich mir das zutraue..
Da ich bei der Elektrotechnik leider nur auf verstaubtes Schulbuchwissen zurück greifen kann, hier nun die Frage, die ich weder mit Google noch mit der Suchfunktion dieses Forums klären konnte:
Ich möchte den 14V-Wechselstrom des Trafos ans Breadboard legen und dort 4-Gleichrichter-Dioden sowie einen Glättungskondensator aufstecken, dieser Gleichstrom soll dann an die Verteilerleiste des Breadboards gehen.
Wie sind Dioden und Kondensator zu bemessen?
Danke für Antwort an Elektro-Laien mit autodidaktischem Anspruch.
Um meine Reed-Kontakte auf der Fleischmann-Spur-N-Anlage nun endlich vor dem inneren Verbrennen zu schützen, wollte ich sie mit Transistorschaltungen bestücken, die ich in einem anderen Forum gesehen habe, aber zunächst ohne sie zu löten, also geht's zunächst aufs Breadboard. Die Bauteile für die Schaltung sind in dem Plan, den ich gesehen habe, sehr gut bezeichnet, so dass ich mir das zutraue..
Da ich bei der Elektrotechnik leider nur auf verstaubtes Schulbuchwissen zurück greifen kann, hier nun die Frage, die ich weder mit Google noch mit der Suchfunktion dieses Forums klären konnte:
Ich möchte den 14V-Wechselstrom des Trafos ans Breadboard legen und dort 4-Gleichrichter-Dioden sowie einen Glättungskondensator aufstecken, dieser Gleichstrom soll dann an die Verteilerleiste des Breadboards gehen.
Wie sind Dioden und Kondensator zu bemessen?
Danke für Antwort an Elektro-Laien mit autodidaktischem Anspruch.
Re: Gleichrichter auf Breadboard
Moin,
wie hoch soll die Versorgungsspannung sein (in Volt)? Wie hoch soll der maximale Strom sein (in Ampere)?
wie hoch soll die Versorgungsspannung sein (in Volt)? Wie hoch soll der maximale Strom sein (in Ampere)?
Gruß vom N-Bahner GüNNi
Surftipps: Polizeimuseum
Pressemitteilungen von Polizei, Feuerwehr und Zoll.
Surftipps: Polizeimuseum
Pressemitteilungen von Polizei, Feuerwehr und Zoll.
-
Throbber
Re: Gleichrichter auf Breadboard
Hallo,
danke der Nachfrage.
Geschaltet werden sollen jeweils einzeln Fleischmann-Universal-Relais 6955 bzw. die Weichenspulen von Piccolo-9180 bzw. 9181 oder Signal mit Fahrtstrombeeinflussung, ggf. zwei gleichzeitig bzw. ein Relais und eine Weiche gleichzeitig. Ist aber immer nur Momentbelastung durch Taster-Druck bzw. Reed-Kontakt.
Was braucht man denn da so?
Gruß, Throbber
danke der Nachfrage.
Geschaltet werden sollen jeweils einzeln Fleischmann-Universal-Relais 6955 bzw. die Weichenspulen von Piccolo-9180 bzw. 9181 oder Signal mit Fahrtstrombeeinflussung, ggf. zwei gleichzeitig bzw. ein Relais und eine Weiche gleichzeitig. Ist aber immer nur Momentbelastung durch Taster-Druck bzw. Reed-Kontakt.
Was braucht man denn da so?
Gruß, Throbber
Re: Gleichrichter auf Breadboard
Moin,
im Fleischmann Universalrelais sind Dioden eingebaut, schließlich wird es mit Wechselspannung betrieben. Universalrelais
Wenn Du mit Transistoren arbeiten willst, benötigst Du selbstverständlicch ein Netzteil, Also Gleichrichter und Elko und Spannungsstabilisierung.
Aber es geht mit Triacs einfacher und das Netzteil fällt weg.
Hier ist eine einfache Schaltung für eine Weiche.
im Fleischmann Universalrelais sind Dioden eingebaut, schließlich wird es mit Wechselspannung betrieben. Universalrelais
Wenn Du mit Transistoren arbeiten willst, benötigst Du selbstverständlicch ein Netzteil, Also Gleichrichter und Elko und Spannungsstabilisierung.
Aber es geht mit Triacs einfacher und das Netzteil fällt weg.
Hier ist eine einfache Schaltung für eine Weiche.
- Dateianhänge
-
- weiche-Reed-Triac.png (2.31 KiB) 1533 mal betrachtet
Gruß vom N-Bahner GüNNi
Surftipps: Polizeimuseum
Pressemitteilungen von Polizei, Feuerwehr und Zoll.
Surftipps: Polizeimuseum
Pressemitteilungen von Polizei, Feuerwehr und Zoll.
-
Throbber
Re: Gleichrichter auf Breadboard
Hallo, besten Dank für den Plan,
ich denke, damit komme ich zurecht, sind ja alle Daten angegeben.
Ich will nicht unbedingt Transistoren sondern es geht mir um den Schutz für die Reed-Kontakte. Wenn das aber im Relais schon berücksichtigt ist, ist das ja wunderbar.
Man braucht dann wohl auch keine getrennten Stromkreise sondern verwendet AC vom Trafo sowohl an den Relais als auch als Eingangsspannung für die freundlicherweise gezeigte Schaltung.
Da ich zusätzlich Weichen und ggf. Signale mit den selben Bedieneinheiten (Stelltpult, Reed-Kontakte) schalten will, muss ich nur mal sehen, wie ich den Schaltplan mit den Triacs in mein Schema einbaue.
Gruß, Throbber
Ich will nicht unbedingt Transistoren sondern es geht mir um den Schutz für die Reed-Kontakte. Wenn das aber im Relais schon berücksichtigt ist, ist das ja wunderbar.
Man braucht dann wohl auch keine getrennten Stromkreise sondern verwendet AC vom Trafo sowohl an den Relais als auch als Eingangsspannung für die freundlicherweise gezeigte Schaltung.
Da ich zusätzlich Weichen und ggf. Signale mit den selben Bedieneinheiten (Stelltpult, Reed-Kontakte) schalten will, muss ich nur mal sehen, wie ich den Schaltplan mit den Triacs in mein Schema einbaue.
Gruß, Throbber
- Dateianhänge
-
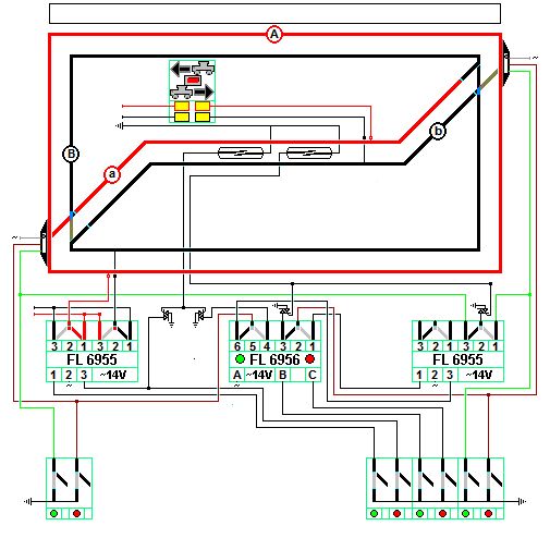
- Hier die Bedienungsanleitung der Schaltung:
Die Polung der Wendeschleife muss der Polung des abzweigenden Gleises der jeweils zur Einfahrt dienenden Weiche entsprechen. Insofern wird der Umpol-Schalter FL 6924 so belegt, dass in der oberen Schalterstellung (Pfeil zeigt li.) die Einfahrt eines Zuges über die li. Weiche möglich ist. Soll die Einfahrt in die Wendeschleife von re. erfolgen, so muss die untere Schalterstellung gewählt werden (Pfeil zeigt re.).
Relais FL 6956 sorgt bei gedrücktem li. Knopf einerseits dafür, dass mit dem roten Taster des li. Weichen-Stellpults auch das re. Universal-Relais FL 6955 geschaltet wird, und andererseits, dass der re. Reed-Schalter die gegenüberliegenden re. Weiche für die Ausfahrt des Zuges "rund" schalten wird.
Dementsprechend kann bei an FL 6956 gedrücktem re. Knopf mit dem roten Taster des re. Weichen-Stellpults das re. Universal-Relais FL 6955 mit geschaltet werden und andererseits wird dann der li. Reed-Schalter die gegenüberliegenden li. Weiche für die Ausfahrt des Zuges "rund" schalten.
Wenn dann passend zur Schaltstellung des Relais FL 6956 an dem entsprechenden Weichen-Stellpult die gewünschte Einfahrt-Weiche in Abzweig-Stellung gebracht wird, wird gleichzeitig am re. Universal-Relais FL 6955 ihre später zu erfolgende Geradeaus-Schaltung mittels des re. Reed-Schalters vorbereitet.
Ein von li. einfahrender Zug polt zunächst bei der Überfahrt des li. Reed-Schalters den Außenkreis um ("2 an 3"-Stellung am li. Universal-Relais FL 6955) und schaltet dann bei der Überfahrt des re. Reed-Schalters die zurück liegende Einfahrt-Weiche "gerade" und die voraus liegende Ausfahrt-Weiche "rund".
Ein von re. einfahrender Zug schaltet zunächst bei der Überfahrt des re. Reed-Schalters die zurück liegende Einfahrt-Weiche "gerade" und polt dann bei der Überfahrt des li. Reed-Schalters den Außenkreis um (ebenfalls "2 an 3"-Stellung am li. Universal-Relais FL 6955), dabei wird die voraus liegende Ausfahrt-Weiche "rund" gestellt
Nach Ausfahrt des Zuges muss die nun zurück liegende Ausfahrt-Weiche am Stellpult "gerade" gestellt werden! In seiner jetzigen Fahrtrichtung kann der Zug nicht in die Wendeschleife einfahren. Beim nächsten Fahrtrichtungswechsel muss der bei der vorherigen Durchfahrt der Wendeschleife umgepolte Fahrkreis am Stellpult mit dessen grünem Taster in seine ursprüngliche Polung ("2 an 1"-Stellung am li. Universal-Relais FL 6955) geschaltet werden.
Zuletzt geändert von Throbber am Donnerstag 10. September 2015, 22:11, insgesamt 1-mal geändert.
Re: Gleichrichter auf Breadboard
Moin,
betrachte den Triac einfach als "verlängerten Arm" des Reedkontakts.
Anders gesagt, als Schaltkontakt (ok, das ist jetzt verwirrend).
Parallel zum Triac kann man auch einen Taster schalten (A1 - A2).
betrachte den Triac einfach als "verlängerten Arm" des Reedkontakts.
Anders gesagt, als Schaltkontakt (ok, das ist jetzt verwirrend).
Parallel zum Triac kann man auch einen Taster schalten (A1 - A2).
- Dateianhänge
-
- triac.png (489 Bytes) 1527 mal betrachtet
Gruß vom N-Bahner GüNNi
Surftipps: Polizeimuseum
Pressemitteilungen von Polizei, Feuerwehr und Zoll.
Surftipps: Polizeimuseum
Pressemitteilungen von Polizei, Feuerwehr und Zoll.
-
Throbber
Re: Gleichrichter auf Breadboard
War ein paar Tage in Urlaub.
Für mich stellen sich nun beim Versuch die Triac-Schaltung in mein Schaltbild zu integrieren diese Anschlussfragen:
A. Kann der Triac 2 parallele Spulen schalten, oder soll ein Reed-Kontak 2 parallele Triacs ansprechen?
B. Ich würde auch FL6955 per Triac schalten wollen, ist das trotz der eingebauten Dioden möglich?
C. Bei den Angaben zu den Dioden im Schaltplan der ersten Antwort irritiert mich die angefügte "-7", 1N4148 DO35-7 finde ich nicht.
http://www.alldatasheet.com/view.jsp
Gruß, Throbber
Für mich stellen sich nun beim Versuch die Triac-Schaltung in mein Schaltbild zu integrieren diese Anschlussfragen:
A. Kann der Triac 2 parallele Spulen schalten, oder soll ein Reed-Kontak 2 parallele Triacs ansprechen?
B. Ich würde auch FL6955 per Triac schalten wollen, ist das trotz der eingebauten Dioden möglich?
C. Bei den Angaben zu den Dioden im Schaltplan der ersten Antwort irritiert mich die angefügte "-7", 1N4148 DO35-7 finde ich nicht.
http://www.alldatasheet.com/view.jsp
Gruß, Throbber
Re: Gleichrichter auf Breadboard
Moin,
DO35-7 ignorieren! 1N4148 kann genommen werden, ebenso die 1N4004, 1N4007...
2 Spulen schafft ein TIC206 locker.
Die Sache mit dem FL müsstest Du ausprobieren, es könnte klappen (ohne Flinte, ähh Gewehr, ähh Gewähr.)
DO35-7 ignorieren! 1N4148 kann genommen werden, ebenso die 1N4004, 1N4007...
2 Spulen schafft ein TIC206 locker.
Die Sache mit dem FL müsstest Du ausprobieren, es könnte klappen (ohne Flinte, ähh Gewehr, ähh Gewähr.)
Gruß vom N-Bahner GüNNi
Surftipps: Polizeimuseum
Pressemitteilungen von Polizei, Feuerwehr und Zoll.
Surftipps: Polizeimuseum
Pressemitteilungen von Polizei, Feuerwehr und Zoll.