Bautipp: Lagerfeuer
- HahNullMuehr
- Forumane
- Beiträge: 6638
- Registriert: Dienstag 20. Januar 2009, 14:28
- Wohnort: Rösrath, Δ 435 km
- Kontaktdaten:
Re: Bautipp: Lagerfeuer
Also, Leute, ich denke mir die Sache erstmal so:
(eigentlich ist es ein Schaltplan von GüNNi, leicht modifiziert. Für Verbesserungsvorschläge bin ich immer offen, insbesondere was die
korrekten Widerstands-Werte betrifft. Vielleicht nehme ich erstmal einen Trimm-Poti zum Testen.
(Beachten Sie bitte das VÖLLIG neuartige Schaltzeichen für "Flacker-Diode".)
Morgen geh ich den Kleinsch... einkaufen, und dann schaun mer mal.
Gruß
(eigentlich ist es ein Schaltplan von GüNNi, leicht modifiziert. Für Verbesserungsvorschläge bin ich immer offen, insbesondere was die
korrekten Widerstands-Werte betrifft. Vielleicht nehme ich erstmal einen Trimm-Poti zum Testen.
(Beachten Sie bitte das VÖLLIG neuartige Schaltzeichen für "Flacker-Diode".)
Morgen geh ich den Kleinsch... einkaufen, und dann schaun mer mal.
Gruß
Micha W. Muehr, Rösrath
Meine Bastelstunde gibt es auch auf YouTube.
Ich mach es lieber am Anfang exakt - und schluder später ein bisschen. Wenn ich schlampig anfange, krieg ich es am Ende nicht wieder genau.
Meine Bastelstunde gibt es auch auf YouTube.
Ich mach es lieber am Anfang exakt - und schluder später ein bisschen. Wenn ich schlampig anfange, krieg ich es am Ende nicht wieder genau.
Re: Bautipp: Lagerfeuer
Moin Micha,
man muss bei Verwendung einer Z-Diode diese immer in die Berechnungen einbeziehen.
Die zweite Variante wird nicht funktionieren.
Wir sollten uns mal per Telefon drüber unterhalten.
man muss bei Verwendung einer Z-Diode diese immer in die Berechnungen einbeziehen.
Die zweite Variante wird nicht funktionieren.
Wir sollten uns mal per Telefon drüber unterhalten.
Gruß vom N-Bahner GüNNi
Surftipps: Polizeimuseum
Pressemitteilungen von Polizei, Feuerwehr und Zoll.
Surftipps: Polizeimuseum
Pressemitteilungen von Polizei, Feuerwehr und Zoll.
- HahNullMuehr
- Forumane
- Beiträge: 6638
- Registriert: Dienstag 20. Januar 2009, 14:28
- Wohnort: Rösrath, Δ 435 km
- Kontaktdaten:
Re: Bautipp: Lagerfeuer
So, GüNNi,
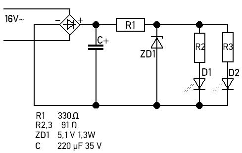
nach der fruchtbaren Telefon-Konferenz nun der geänderte Schaltplan: Beachte: R1 geändert auf 330 Ohm, jede Flackerdiode jetzt mit Vorwiderstand 91 Ohm,
Zener-Diode auf 5,1 V verrstärkt.
Den alten Plan bitte NICHT nachbauen, das würde mit Sachschaden einhergehen.
Erfahrungsbericht für den neuen Plan folgt dann, mit Glück heute im Laufe des Tages.
Nacht zusammen, und nochmal danke an GüNNi für Deine Hilfe.
nach der fruchtbaren Telefon-Konferenz nun der geänderte Schaltplan: Beachte: R1 geändert auf 330 Ohm, jede Flackerdiode jetzt mit Vorwiderstand 91 Ohm,
Zener-Diode auf 5,1 V verrstärkt.
Den alten Plan bitte NICHT nachbauen, das würde mit Sachschaden einhergehen.
Erfahrungsbericht für den neuen Plan folgt dann, mit Glück heute im Laufe des Tages.
Nacht zusammen, und nochmal danke an GüNNi für Deine Hilfe.
Micha W. Muehr, Rösrath
Meine Bastelstunde gibt es auch auf YouTube.
Ich mach es lieber am Anfang exakt - und schluder später ein bisschen. Wenn ich schlampig anfange, krieg ich es am Ende nicht wieder genau.
Meine Bastelstunde gibt es auch auf YouTube.
Ich mach es lieber am Anfang exakt - und schluder später ein bisschen. Wenn ich schlampig anfange, krieg ich es am Ende nicht wieder genau.
Re: Bautipp: Lagerfeuer
Moin,
die richtige Bezeichnung für die Z-Diode lautet ZD5,1. Sie "hat" 1,3 Watt.
die richtige Bezeichnung für die Z-Diode lautet ZD5,1. Sie "hat" 1,3 Watt.
Gruß vom N-Bahner GüNNi
Surftipps: Polizeimuseum
Pressemitteilungen von Polizei, Feuerwehr und Zoll.
Surftipps: Polizeimuseum
Pressemitteilungen von Polizei, Feuerwehr und Zoll.
- HahNullMuehr
- Forumane
- Beiträge: 6638
- Registriert: Dienstag 20. Januar 2009, 14:28
- Wohnort: Rösrath, Δ 435 km
- Kontaktdaten:
Re: Bautipp: Lagerfeuer
So, Tach zusammen.
die Bauteile sind besorgt. Jetzt machen wir erstmal einen Layout-Plan, wie das Ganze auf die Platine passt. Den LEDs verpassen wir blaue Strümpfe, damit sie keinen Kurzen bauen, wenn sie mal x-beinig werden sollten. Auf dem Veroboard liegen die Leiterbahnen quer, bei X müssen sie noch getrennt werden. (Dazu eignen sich hervorragend ausgediente Zahnarzt-Bohrer in der Mini-Mot-Maschine.)
So sieht die bestückte Platine aus. Hoppela, da hätten wir fast eine Trennung (unten rechts) vergessen.
Die Flacker-Dioden enthalten einen winzigen Chip, auf dem ZWEI Leuchtelemente aufgebracht sind. Eines leuchtet permanent und schwach, das andere sehr unregelmässig und und mit wechselnder Helligkeit. (Man kann es sich ohne Schutzbrille leider nicht sehr lange aus der Nähe betrachten.) Zwei dieser Dioden nebeneinander geben schon ein dolles Brandflackern. Ich kanns euch leider nicht als Video zeigen, aber diese Foto-Serie vermittelt schon einen Eindruck: Bei Anschluss an den Lichtausgang eines M*-Trafos mit 16V~ wird der 330 Ohm/1W-
Widerstand nach wenigen Minuten recht heiß. Die Sache flackert aber auch bei 12 V Eingangsspannung noch heftig, nur etwas weniger hell. Erst unter 3 oder 4 Volt versagt sie ihren Dienst.
Damit ist das Lagerfeuer zum Nachbau freigegeben.
Der ganze Schnokus hat jetzt etwa 2,50 gekostet, wobei der Gleichrichter, der Elko und das Veroboard-Restchen noch im Bestand waren.
FrOstern noch allerseits.
die Bauteile sind besorgt. Jetzt machen wir erstmal einen Layout-Plan, wie das Ganze auf die Platine passt. Den LEDs verpassen wir blaue Strümpfe, damit sie keinen Kurzen bauen, wenn sie mal x-beinig werden sollten. Auf dem Veroboard liegen die Leiterbahnen quer, bei X müssen sie noch getrennt werden. (Dazu eignen sich hervorragend ausgediente Zahnarzt-Bohrer in der Mini-Mot-Maschine.)
So sieht die bestückte Platine aus. Hoppela, da hätten wir fast eine Trennung (unten rechts) vergessen.
Die Flacker-Dioden enthalten einen winzigen Chip, auf dem ZWEI Leuchtelemente aufgebracht sind. Eines leuchtet permanent und schwach, das andere sehr unregelmässig und und mit wechselnder Helligkeit. (Man kann es sich ohne Schutzbrille leider nicht sehr lange aus der Nähe betrachten.) Zwei dieser Dioden nebeneinander geben schon ein dolles Brandflackern. Ich kanns euch leider nicht als Video zeigen, aber diese Foto-Serie vermittelt schon einen Eindruck: Bei Anschluss an den Lichtausgang eines M*-Trafos mit 16V~ wird der 330 Ohm/1W-
Widerstand nach wenigen Minuten recht heiß. Die Sache flackert aber auch bei 12 V Eingangsspannung noch heftig, nur etwas weniger hell. Erst unter 3 oder 4 Volt versagt sie ihren Dienst.
Damit ist das Lagerfeuer zum Nachbau freigegeben.
Der ganze Schnokus hat jetzt etwa 2,50 gekostet, wobei der Gleichrichter, der Elko und das Veroboard-Restchen noch im Bestand waren.
FrOstern noch allerseits.
Micha W. Muehr, Rösrath
Meine Bastelstunde gibt es auch auf YouTube.
Ich mach es lieber am Anfang exakt - und schluder später ein bisschen. Wenn ich schlampig anfange, krieg ich es am Ende nicht wieder genau.
Meine Bastelstunde gibt es auch auf YouTube.
Ich mach es lieber am Anfang exakt - und schluder später ein bisschen. Wenn ich schlampig anfange, krieg ich es am Ende nicht wieder genau.
Re: Bautipp: Lagerfeuer
Moin Micha,
ggf. die Belastbarkeit des 330 Ohm-Widerstandes auf 2W erhöhen.
ggf. die Belastbarkeit des 330 Ohm-Widerstandes auf 2W erhöhen.
Gruß vom N-Bahner GüNNi
Surftipps: Polizeimuseum
Pressemitteilungen von Polizei, Feuerwehr und Zoll.
Surftipps: Polizeimuseum
Pressemitteilungen von Polizei, Feuerwehr und Zoll.
- HahNullMuehr
- Forumane
- Beiträge: 6638
- Registriert: Dienstag 20. Januar 2009, 14:28
- Wohnort: Rösrath, Δ 435 km
- Kontaktdaten:
Re: Bautipp: Lagerfeuer
Moin, GüNNi
OK, beim nächsten Exemplar. Ich fahr jetzt nicht noch zweimal um die halbe Stadt für 330 Ohm/2W.
Ich hab das Teil nochmal ne Weile laufen lassen, mit 12 V~ (17V~ Spitze also). Da erwärmt sich der R1 nicht so sehr, dass man ihn nicht mehr anfassen könnte. Werde das Ding dann am 12V-Ausgang (bei den alten Titans ist so eine abgestufte Buchsenreihe dran) betreiben.
Aber alle Nachbauer aufmerken: Bei 16 V~ den R1 wählen: 330 Ohm/2W!
Gruß
OK, beim nächsten Exemplar. Ich fahr jetzt nicht noch zweimal um die halbe Stadt für 330 Ohm/2W.
Ich hab das Teil nochmal ne Weile laufen lassen, mit 12 V~ (17V~ Spitze also). Da erwärmt sich der R1 nicht so sehr, dass man ihn nicht mehr anfassen könnte. Werde das Ding dann am 12V-Ausgang (bei den alten Titans ist so eine abgestufte Buchsenreihe dran) betreiben.
Aber alle Nachbauer aufmerken: Bei 16 V~ den R1 wählen: 330 Ohm/2W!
Gruß
Micha W. Muehr, Rösrath
Meine Bastelstunde gibt es auch auf YouTube.
Ich mach es lieber am Anfang exakt - und schluder später ein bisschen. Wenn ich schlampig anfange, krieg ich es am Ende nicht wieder genau.
Meine Bastelstunde gibt es auch auf YouTube.
Ich mach es lieber am Anfang exakt - und schluder später ein bisschen. Wenn ich schlampig anfange, krieg ich es am Ende nicht wieder genau.
Re: Bautipp: Lagerfeuer
Moin,
wird nur eine Flacker-LED verwendet, ist R1 in 390 Ohm 1W-2W zu ändern.
wird nur eine Flacker-LED verwendet, ist R1 in 390 Ohm 1W-2W zu ändern.
Gruß vom N-Bahner GüNNi
Surftipps: Polizeimuseum
Pressemitteilungen von Polizei, Feuerwehr und Zoll.
Surftipps: Polizeimuseum
Pressemitteilungen von Polizei, Feuerwehr und Zoll.
- Mr. E-Light
- Forumane
- Beiträge: 5727
- Registriert: Dienstag 24. Februar 2004, 16:17
Re: Bautipp: Lagerfeuer
Was mich bei der ganzen Geschichte aber erst mal am meisten interessiert, ist die LED selber: Mit den zwei Chips, dabei v.a. dem Chip mit dem Dauerleuchten, ist die LED schon mal besser als die meisten LED-Teelichter mit einer nur LED drin! Klingt doch gut!
Vielen Dank, Micha, allein für diese Info!

Vielen Dank, Micha, allein für diese Info!
Gruß
Ralf
Ralf
- HahNullMuehr
- Forumane
- Beiträge: 6638
- Registriert: Dienstag 20. Januar 2009, 14:28
- Wohnort: Rösrath, Δ 435 km
- Kontaktdaten:
Re: Bautipp: Lagerfeuer
Hallo, Ralf,
unter der Uhrmacherlupe sehen diese LEDs dann schon sehr kompliziert aus, da sind sechs oder sieben haarfeine Drähe drin, wo die Standard-LED nur einen hat. (Leider gibt die Digi-Cam diese Vergrößerung nicht her.)
Ich würde sie allerdings nicht einzeln verwenden. Das Flackern hat alle paar Momente einen "Stillstand", also flackert mal ein, zwei Sekunden NICHT, sondern es leuchtet nur. Bei zwei LEDs fällt das dann nicht auf, weil kaum je beide den "Stillstand" gleichzeitig haben.
Gruß
unter der Uhrmacherlupe sehen diese LEDs dann schon sehr kompliziert aus, da sind sechs oder sieben haarfeine Drähe drin, wo die Standard-LED nur einen hat. (Leider gibt die Digi-Cam diese Vergrößerung nicht her.)
Ich würde sie allerdings nicht einzeln verwenden. Das Flackern hat alle paar Momente einen "Stillstand", also flackert mal ein, zwei Sekunden NICHT, sondern es leuchtet nur. Bei zwei LEDs fällt das dann nicht auf, weil kaum je beide den "Stillstand" gleichzeitig haben.
Gruß
Micha W. Muehr, Rösrath
Meine Bastelstunde gibt es auch auf YouTube.
Ich mach es lieber am Anfang exakt - und schluder später ein bisschen. Wenn ich schlampig anfange, krieg ich es am Ende nicht wieder genau.
Meine Bastelstunde gibt es auch auf YouTube.
Ich mach es lieber am Anfang exakt - und schluder später ein bisschen. Wenn ich schlampig anfange, krieg ich es am Ende nicht wieder genau.
- Mr. E-Light
- Forumane
- Beiträge: 5727
- Registriert: Dienstag 24. Februar 2004, 16:17
Re: Bautipp: Lagerfeuer
Hi Micha,
um die Uhrzeit noch wach? Schäm Dich!
Nun, die LED-Teelichter sind da keinen Deut besser, eigentlich sogar noch schlimmer, denn die haben echte Dunkelzeiten! Schau Dir mal eine echte Kerze an oder ein echtes Feuer, da gibt es eigentlich keine echten Dunkelzeiten, da ist immer Licht - oftmals sogar ziemlich gleichmäßig ohne sich ändernden Helligkeiten.
Sollten diese Phasen aber bei der LED auffallend gleichmäßig verteilt sein, dann wäre das wirklich nicht so prickelnd. Aber gut, bei dem Preis kann man sich ja doch mehrere leisten...
Aber 6 oder 7 Drähte im Inneren - bist Du Dir da sicher? Nicht dass Du Dich durch Spieglungen und Lichtbrechung täuschen lässt...
Bei zwei Chips wären das schon sehr viel Drähte...
Aber ist ja auch eigentlich völlig egal...
um die Uhrzeit noch wach? Schäm Dich!
Nun, die LED-Teelichter sind da keinen Deut besser, eigentlich sogar noch schlimmer, denn die haben echte Dunkelzeiten! Schau Dir mal eine echte Kerze an oder ein echtes Feuer, da gibt es eigentlich keine echten Dunkelzeiten, da ist immer Licht - oftmals sogar ziemlich gleichmäßig ohne sich ändernden Helligkeiten.
Sollten diese Phasen aber bei der LED auffallend gleichmäßig verteilt sein, dann wäre das wirklich nicht so prickelnd. Aber gut, bei dem Preis kann man sich ja doch mehrere leisten...
Aber 6 oder 7 Drähte im Inneren - bist Du Dir da sicher? Nicht dass Du Dich durch Spieglungen und Lichtbrechung täuschen lässt...
Bei zwei Chips wären das schon sehr viel Drähte...
Aber ist ja auch eigentlich völlig egal...
Gruß
Ralf
Ralf
- HahNullMuehr
- Forumane
- Beiträge: 6638
- Registriert: Dienstag 20. Januar 2009, 14:28
- Wohnort: Rösrath, Δ 435 km
- Kontaktdaten:
Re: Bautipp: Lagerfeuer
Moin, Ralf,
...jetz sach doch nit schälen Kopp für mich...
Nachem ich die halbe Nacht diese LED unter der Lupe betrachtet habe,
stelle ich fest, dass Ralf (fast) Recht hat: 1 Draht war eine Spiegelung.
Bleiben trotzdem noch 5: Und Zwei Chips (die Klötzchen) sowie ein Knubbel (hinten rechts).
Gruß
...jetz sach doch nit schälen Kopp für mich...
Nachem ich die halbe Nacht diese LED unter der Lupe betrachtet habe,
stelle ich fest, dass Ralf (fast) Recht hat: 1 Draht war eine Spiegelung.
Bleiben trotzdem noch 5: Und Zwei Chips (die Klötzchen) sowie ein Knubbel (hinten rechts).
Gruß
Micha W. Muehr, Rösrath
Meine Bastelstunde gibt es auch auf YouTube.
Ich mach es lieber am Anfang exakt - und schluder später ein bisschen. Wenn ich schlampig anfange, krieg ich es am Ende nicht wieder genau.
Meine Bastelstunde gibt es auch auf YouTube.
Ich mach es lieber am Anfang exakt - und schluder später ein bisschen. Wenn ich schlampig anfange, krieg ich es am Ende nicht wieder genau.
Re: Bautipp: Lagerfeuer
MOin,
hier mal ein Bild von einer einfachen LED in 60facher Vergrößerung. Sobald ich das Flackerteil habe, gibt es davon eine Aufnahme.
hier mal ein Bild von einer einfachen LED in 60facher Vergrößerung. Sobald ich das Flackerteil habe, gibt es davon eine Aufnahme.
- Dateianhänge
-
- led2.jpg (46.5 KiB) 2562 mal betrachtet
Gruß vom N-Bahner GüNNi
Surftipps: Polizeimuseum
Pressemitteilungen von Polizei, Feuerwehr und Zoll.
Surftipps: Polizeimuseum
Pressemitteilungen von Polizei, Feuerwehr und Zoll.
- HahNullMuehr
- Forumane
- Beiträge: 6638
- Registriert: Dienstag 20. Januar 2009, 14:28
- Wohnort: Rösrath, Δ 435 km
- Kontaktdaten:
Bautipp: Osterfeuer
Und hier die Draufsicht auf das Objekt unserer Begierde,
fotografiert durch 1. Leuchtlupe und 2.Uhrmacherlupe (in Reihe geschaltet)
Die Verzerrung entsteht jetzt durch die Kappe der LED selber. Oben erkennt man den großen Chip, drei der Drähte,
unten den kleinen (bräunlich).
Gruß
fotografiert durch 1. Leuchtlupe und 2.Uhrmacherlupe (in Reihe geschaltet)
Die Verzerrung entsteht jetzt durch die Kappe der LED selber. Oben erkennt man den großen Chip, drei der Drähte,
unten den kleinen (bräunlich).
Gruß
Micha W. Muehr, Rösrath
Meine Bastelstunde gibt es auch auf YouTube.
Ich mach es lieber am Anfang exakt - und schluder später ein bisschen. Wenn ich schlampig anfange, krieg ich es am Ende nicht wieder genau.
Meine Bastelstunde gibt es auch auf YouTube.
Ich mach es lieber am Anfang exakt - und schluder später ein bisschen. Wenn ich schlampig anfange, krieg ich es am Ende nicht wieder genau.
- Mr. E-Light
- Forumane
- Beiträge: 5727
- Registriert: Dienstag 24. Februar 2004, 16:17
Re: Bautipp: Lagerfeuer
Sau starke Fotos, Micha und Günni!
Micha hat ja schon geschrieben, wie er seines gemacht hat, aber was hast Du benutzt, Günni?
Ich bin tief beeindruckt (von beiden)!
Micha hat ja schon geschrieben, wie er seines gemacht hat, aber was hast Du benutzt, Günni?
Ich bin tief beeindruckt (von beiden)!
Gruß
Ralf
Ralf
Re: Bautipp: Lagerfeuer
Moin Ralf,
ich habe "geschummelt". Ich habe ein Mikroskop benutzt.
ich habe "geschummelt". Ich habe ein Mikroskop benutzt.
Gruß vom N-Bahner GüNNi
Surftipps: Polizeimuseum
Pressemitteilungen von Polizei, Feuerwehr und Zoll.
Surftipps: Polizeimuseum
Pressemitteilungen von Polizei, Feuerwehr und Zoll.
- HahNullMuehr
- Forumane
- Beiträge: 6638
- Registriert: Dienstag 20. Januar 2009, 14:28
- Wohnort: Rösrath, Δ 435 km
- Kontaktdaten:
Re: Bautipp: Lagerfeuer
Moin, GüNNi,
wieso "geschummelt"? Wo steht geschrieben,
dass die Verwendung von Mikroskopen nicht regelkonform wäre?
Erlaubt ist, was zum Ziel führt!
Gruß
wieso "geschummelt"? Wo steht geschrieben,
dass die Verwendung von Mikroskopen nicht regelkonform wäre?
Erlaubt ist, was zum Ziel führt!
Gruß
Micha W. Muehr, Rösrath
Meine Bastelstunde gibt es auch auf YouTube.
Ich mach es lieber am Anfang exakt - und schluder später ein bisschen. Wenn ich schlampig anfange, krieg ich es am Ende nicht wieder genau.
Meine Bastelstunde gibt es auch auf YouTube.
Ich mach es lieber am Anfang exakt - und schluder später ein bisschen. Wenn ich schlampig anfange, krieg ich es am Ende nicht wieder genau.
Re: Bautipp: Lagerfeuer
Moin Micha,
das Wörtchen "geschummelt" war selbstverständlich nicht Ernst gemeint.
das Wörtchen "geschummelt" war selbstverständlich nicht Ernst gemeint.
Gruß vom N-Bahner GüNNi
Surftipps: Polizeimuseum
Pressemitteilungen von Polizei, Feuerwehr und Zoll.
Surftipps: Polizeimuseum
Pressemitteilungen von Polizei, Feuerwehr und Zoll.
- Mr. E-Light
- Forumane
- Beiträge: 5727
- Registriert: Dienstag 24. Februar 2004, 16:17
Re: Bautipp: Lagerfeuer
Trotzdem schließe ich mich da auch Michas Ansicht an - allein schon aus purem Neid...

Gruß
Ralf
Ralf
- HahNullMuehr
- Forumane
- Beiträge: 6638
- Registriert: Dienstag 20. Januar 2009, 14:28
- Wohnort: Rösrath, Δ 435 km
- Kontaktdaten:
Re: Bautipp: Osterfeuer
Moin, Leute,
schlechte Nachrichten: Eine der Flacker-LEDs aus dem Aufbau (siehe weiter oben) hat sich grade verabschiedet. Nicht etwa nach Dauerbetrieb, sondern einfach beim gelgentlichen Einschalten, während der Probeaufbauten zum "Ambiente" des Feuers.
Ob sie durchgebrannt ist oder nur eine Lötstelle nicht leitet, muss ich noch prüfen, solange:
Vor Nachbau wird bis auf weiteres gewarnt !
Dabei hab ich das Teil nur mit 10 - 12 Volt ~ aus der Fahrspannung betrieben.
Ich halte Euch auf dem laufenden.
Gruß
schlechte Nachrichten: Eine der Flacker-LEDs aus dem Aufbau (siehe weiter oben) hat sich grade verabschiedet. Nicht etwa nach Dauerbetrieb, sondern einfach beim gelgentlichen Einschalten, während der Probeaufbauten zum "Ambiente" des Feuers.
Ob sie durchgebrannt ist oder nur eine Lötstelle nicht leitet, muss ich noch prüfen, solange:
Vor Nachbau wird bis auf weiteres gewarnt !
Dabei hab ich das Teil nur mit 10 - 12 Volt ~ aus der Fahrspannung betrieben.
Ich halte Euch auf dem laufenden.
Gruß
Micha W. Muehr, Rösrath
Meine Bastelstunde gibt es auch auf YouTube.
Ich mach es lieber am Anfang exakt - und schluder später ein bisschen. Wenn ich schlampig anfange, krieg ich es am Ende nicht wieder genau.
Meine Bastelstunde gibt es auch auf YouTube.
Ich mach es lieber am Anfang exakt - und schluder später ein bisschen. Wenn ich schlampig anfange, krieg ich es am Ende nicht wieder genau.