Conrad Weichenantriebe
-
Torsten96
Re: Conrad Weichenantriebe
Wenn man das so verschaltet, braucht man die galvanische trennung doch nicht, oder?
was ist jetzt mit dem transistortyp????
FG
was ist jetzt mit dem transistortyp????
FG
- Dateianhänge
-
- conrad_Weichenansteuerun_bsp.png (15.79 KiB) 904 mal betrachtet
Re: Conrad Weichenantriebe
Moin,
warum bist den Bauteilen nur so böse? Die haben Dir doch nichts getan.
warum bist den Bauteilen nur so böse? Die haben Dir doch nichts getan.
Gruß vom N-Bahner GüNNi
Surftipps: Polizeimuseum
Pressemitteilungen von Polizei, Feuerwehr und Zoll.
Surftipps: Polizeimuseum
Pressemitteilungen von Polizei, Feuerwehr und Zoll.
-
Torsten96
Re: Conrad Weichenantriebe
Wie kommst du darauf das ich den Bauteilen "böse" bin???
Ich hab der übersichtlichkeits wegen, ein paar Bauteile weggelassen.
Ich würde trotzdem gerne wissen, wie man die Verschaltung optimieren kann.
FG
Ich hab der übersichtlichkeits wegen, ein paar Bauteile weggelassen.
Ich würde trotzdem gerne wissen, wie man die Verschaltung optimieren kann.
FG
Re: Conrad Weichenantriebe
Moin,
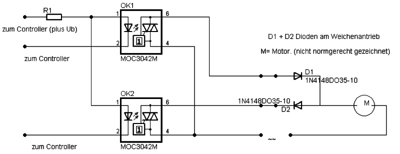
hier hast Du das Schaltungsprinzip.
hier hast Du das Schaltungsprinzip.
Gruß vom N-Bahner GüNNi
Surftipps: Polizeimuseum
Pressemitteilungen von Polizei, Feuerwehr und Zoll.
Surftipps: Polizeimuseum
Pressemitteilungen von Polizei, Feuerwehr und Zoll.
-
Torsten96
Re: Conrad Weichenantriebe
Wieso muss ich denn einen TRIAC benutzen?
Wieso klappt das nicht mit Transistoren?
Wieso klappt das nicht mit Transistoren?
Re: Conrad Weichenantriebe
Moin,
Transistoren nehmen Dir Wechselspannung als Betriebsspannung übel. Auch wenn es Halbwellenspannung ist.
Transistoren nehmen Dir Wechselspannung als Betriebsspannung übel. Auch wenn es Halbwellenspannung ist.
Gruß vom N-Bahner GüNNi
Surftipps: Polizeimuseum
Pressemitteilungen von Polizei, Feuerwehr und Zoll.
Surftipps: Polizeimuseum
Pressemitteilungen von Polizei, Feuerwehr und Zoll.