Weichenstellung mit Kippschalter (ein)-aus-aus-(ein)
-
wzimmermann
- Forumane
- Beiträge: 835
- Registriert: Freitag 30. März 2007, 22:37
- Wohnort: München
Re: Weichenstellung mit Kippschalter (ein)-aus-aus-(ein)
Hallo Günni,
um Deine Schaltung noch perfekt zu machen und weil ja S1 und S2 derselbe Schalter ist, gehört da eine gestrichelte Linie zwischen den beiden Wechselkontakten. Der Schalter heißt dann nur noch S1, ist zweipolig und der zweite Wechler bekommt an den Kontakten die Bezeichnungen 4,5,6.
Aber sonst wäre ich auch dafür, für sein Stellpult ein Nachtdesign zu bauen. Sieht halt einfach besser aus.
Und wenn es so günstig geht - so what?
Klugscheißmodus off
Gruß
Wolfgang Z.
um Deine Schaltung noch perfekt zu machen und weil ja S1 und S2 derselbe Schalter ist, gehört da eine gestrichelte Linie zwischen den beiden Wechselkontakten. Der Schalter heißt dann nur noch S1, ist zweipolig und der zweite Wechler bekommt an den Kontakten die Bezeichnungen 4,5,6.
Aber sonst wäre ich auch dafür, für sein Stellpult ein Nachtdesign zu bauen. Sieht halt einfach besser aus.
Und wenn es so günstig geht - so what?
Klugscheißmodus off
Gruß
Wolfgang Z.
-
Michael Sommer
- Forumane
- Beiträge: 214
- Registriert: Mittwoch 9. April 2003, 14:45
- Wohnort: Obersulm
Re: Weichenstellung mit Kippschalter (ein)-aus-aus-(ein)
Hallo,
gelöscht 29.11.14
Gruß Michael
gelöscht 29.11.14
Gruß Michael
Zuletzt geändert von Michael Sommer am Samstag 29. November 2014, 08:28, insgesamt 1-mal geändert.
WDP, Tams-MC + Booster B-MBT (MM+DCC) zum Fahren, Central Unit 6021 + Interface 6051 zum schalten, S88-Module über HSI-88USB (exDiCo). AMD Athlon(TM) XP2800+ (2,08 GHz), 1MB RAM, Windows XP-2002, SP2, 2-Bildschirme (22"/19"). AC-Bahner, K-Gleise
Re: Weichenstellung mit Kippschalter (ein)-aus-aus-(ein)
Moin Wolfgang,
das war insgesamt eine Schaltungsänderung "mal so auf die schnelle"
das war insgesamt eine Schaltungsänderung "mal so auf die schnelle"
Gruß vom N-Bahner GüNNi
Surftipps: Polizeimuseum
Pressemitteilungen von Polizei, Feuerwehr und Zoll.
Surftipps: Polizeimuseum
Pressemitteilungen von Polizei, Feuerwehr und Zoll.
- HahNullMuehr
- Forumane
- Beiträge: 6638
- Registriert: Dienstag 20. Januar 2009, 14:28
- Wohnort: Rösrath, Δ 435 km
- Kontaktdaten:
Re: Weichenstellung mit Kippschalter (ein)-aus-aus-(ein)
@ Michael Sommer:
Nach dem von Dir verlinkten Schalter hat doch niemand gefragt. Und dass es ihn gibt, hat auch niemand bezweifelt. Das ist nämlich leider genau das Modell, das der Threaderöffner Cristoph NICHT haben wollte (tastend/0/tastend).
Wir suchen doch den tastend/0/0/tastend.
Gruß
Nach dem von Dir verlinkten Schalter hat doch niemand gefragt. Und dass es ihn gibt, hat auch niemand bezweifelt. Das ist nämlich leider genau das Modell, das der Threaderöffner Cristoph NICHT haben wollte (tastend/0/tastend).
Wir suchen doch den tastend/0/0/tastend.
Gruß
Micha W. Muehr, Rösrath
Meine Bastelstunde gibt es auch auf YouTube.
Ich mach es lieber am Anfang exakt - und schluder später ein bisschen. Wenn ich schlampig anfange, krieg ich es am Ende nicht wieder genau.
Meine Bastelstunde gibt es auch auf YouTube.
Ich mach es lieber am Anfang exakt - und schluder später ein bisschen. Wenn ich schlampig anfange, krieg ich es am Ende nicht wieder genau.
Re: Weichenstellung mit Kippschalter (ein)-aus-aus-(ein)
Moin,
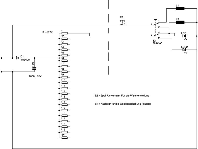
so, ich habe nun mal eine Schaltung für 20 Weichen schematisch erstellt. Diese ist beliebig kürz- bzw. erweiterbar (bis zu 80 Weichen). Das Einzeichnen aller Taster und Umschalter habe ich mir erspart, schließlich wird ja immer die Schaltung mit S1 und S2 und den dazu gehörigen Komponenten kopiert und wenn alle Taster und Schalter eingezeichnet sind, wird es zum Verstehen der Schaltung zu unübersichtlich.
R1 ist für Weiche 1, R2 für Weiche 2...
so, ich habe nun mal eine Schaltung für 20 Weichen schematisch erstellt. Diese ist beliebig kürz- bzw. erweiterbar (bis zu 80 Weichen). Das Einzeichnen aller Taster und Umschalter habe ich mir erspart, schließlich wird ja immer die Schaltung mit S1 und S2 und den dazu gehörigen Komponenten kopiert und wenn alle Taster und Schalter eingezeichnet sind, wird es zum Verstehen der Schaltung zu unübersichtlich.
R1 ist für Weiche 1, R2 für Weiche 2...
Gruß vom N-Bahner GüNNi
Surftipps: Polizeimuseum
Pressemitteilungen von Polizei, Feuerwehr und Zoll.
Surftipps: Polizeimuseum
Pressemitteilungen von Polizei, Feuerwehr und Zoll.
Re: Weichenstellung mit Kippschalter (ein)-aus-aus-(ein)
Bei C- Antrieben mit Endabschaltung kann man mit Umschaltern 2UM arbeiten. So schaltet man auf der einen Reihe die Weiche und auf der anderen die LED.
Wobei das Problem wenn der Antrieb nicht schaltet nicht erkannt wird. Aber man hat ne theoretische Weichenstellung in Form der LED und der Stellung des Kippschalters.
Nebenbei ich auch noch die Gleisbesetztmeldung eingebaut. Das Foto zeigt nur den Bahnhof mit den Einfahrweichen und den 5 Bahnhofgleisen.
Wobei das Problem wenn der Antrieb nicht schaltet nicht erkannt wird. Aber man hat ne theoretische Weichenstellung in Form der LED und der Stellung des Kippschalters.
Nebenbei ich auch noch die Gleisbesetztmeldung eingebaut. Das Foto zeigt nur den Bahnhof mit den Einfahrweichen und den 5 Bahnhofgleisen.
Baue mir einige HO Funktionsmodelle aus Plastikbausätzen oder mache Lokumbauten wie zum Beispiel den 3teiligen Gliederzug aus 3 Märklinschienenbussen