Reflektions Lichtschranke
Reflektions Lichtschranke
Hallo Forum!
Um Einsatzfahrzeuge von "normalen" fahrenden H0 Autos unterscheiden zu können, möchte ich Reflektionslichtschranken in die Strasse einbauen. Dazu habe ich jetzt ein super schönes, kleines Bauteil bei Rei..... gefunden: ELI TR8307.
Kann mir jemand sagen, wie ich damit ein 5V Relais zum schalten bringe? Oder einen W(L)ink geben, wo das steht?
Dem Datenblatt entnehme ich 1,6 V Eingangsspannung und bis 30V Ausgangsspannung(?). Danke für Eure Mühe. Inzwischen habe ich schon mal 4 Stk zum testen bestellt.
Die Reflektionslichtschranke ist vielleicht auch für Züge an Bahnübergängen interessant. Trotzdem habe ich in der Suche nichts vernünftiges gefunden. Bei den älteren Einträgen sind die meisten Links nicht mehr aktiv. Ausserdem nimmt die Suche keine Wörter über 14 Buchstaben, deshalb habe ich die Überschrift geteilt.
Um Einsatzfahrzeuge von "normalen" fahrenden H0 Autos unterscheiden zu können, möchte ich Reflektionslichtschranken in die Strasse einbauen. Dazu habe ich jetzt ein super schönes, kleines Bauteil bei Rei..... gefunden: ELI TR8307.
Kann mir jemand sagen, wie ich damit ein 5V Relais zum schalten bringe? Oder einen W(L)ink geben, wo das steht?
Dem Datenblatt entnehme ich 1,6 V Eingangsspannung und bis 30V Ausgangsspannung(?). Danke für Eure Mühe. Inzwischen habe ich schon mal 4 Stk zum testen bestellt.
Die Reflektionslichtschranke ist vielleicht auch für Züge an Bahnübergängen interessant. Trotzdem habe ich in der Suche nichts vernünftiges gefunden. Bei den älteren Einträgen sind die meisten Links nicht mehr aktiv. Ausserdem nimmt die Suche keine Wörter über 14 Buchstaben, deshalb habe ich die Überschrift geteilt.
Das Geheimnis des Erfolges liegt in der Beständigkeit des Ziels.
Gruß Torsten
Webseite Sulzangen H0 und Zittau H0e mit DC-Car
Gruß Torsten
Webseite Sulzangen H0 und Zittau H0e mit DC-Car
Re: Reflektions Lichtschranke
Hallo Torsten
Wenn Du die Schaltung mit 12 Volt betreibst, kannst Du ein kleines
bistabiles Relais (HFD2-L 12V) direkt ansteuern damit. Schutzdiode
über der Relaisspule nicht vergessen.
Grüsse Charly
Wenn Du die Schaltung mit 12 Volt betreibst, kannst Du ein kleines
bistabiles Relais (HFD2-L 12V) direkt ansteuern damit. Schutzdiode
über der Relaisspule nicht vergessen.
Grüsse Charly
Re: Reflektions Lichtschranke
Moin,
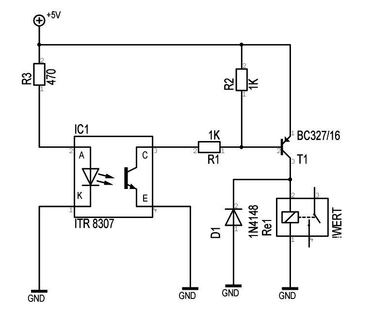
die 1,6V, eigentlich typ. 1,2V, bezieht sich auf die LED in der Lichtschranke.
Die 30 V ist die max. zulässige Kollektorspannung des Transistors.
Der max. zulässige Kollektorstrom ist 50mA. Da die Spule eines 5V-Relais durchaus mehr als 50mA "ziehen" kann, ist der PNP-Transistor nachgeschaltet.
Hier ein Prinzipschaltbild.
Edit: Schaltung geändert.
die 1,6V, eigentlich typ. 1,2V, bezieht sich auf die LED in der Lichtschranke.
Die 30 V ist die max. zulässige Kollektorspannung des Transistors.
Der max. zulässige Kollektorstrom ist 50mA. Da die Spule eines 5V-Relais durchaus mehr als 50mA "ziehen" kann, ist der PNP-Transistor nachgeschaltet.
Hier ein Prinzipschaltbild.
Edit: Schaltung geändert.
- Dateianhänge
-
- Reflexlichtschranke1.png (2.03 KiB) 7078 mal betrachtet
Zuletzt geändert von günni am Sonntag 3. Februar 2013, 15:03, insgesamt 3-mal geändert.
Gruß vom N-Bahner GüNNi
Surftipps: Polizeimuseum
Pressemitteilungen von Polizei, Feuerwehr und Zoll.
Surftipps: Polizeimuseum
Pressemitteilungen von Polizei, Feuerwehr und Zoll.
Re: Reflektions Lichtschranke
Perfekt. Danke Günni. Bei Fertigstellung gibt es eine Info und ein Video.
Die direkte 12V Variante teste ich auch mal, das bistabile Relais braucht ja nur einen Momentstrom. Danke Charly. Falls dabei wirklich eine Reflektionslichtschranke kaputt geht ist das bei 55Cent nicht so tragisch.
Die direkte 12V Variante teste ich auch mal, das bistabile Relais braucht ja nur einen Momentstrom. Danke Charly. Falls dabei wirklich eine Reflektionslichtschranke kaputt geht ist das bei 55Cent nicht so tragisch.
Das Geheimnis des Erfolges liegt in der Beständigkeit des Ziels.
Gruß Torsten
Webseite Sulzangen H0 und Zittau H0e mit DC-Car
Gruß Torsten
Webseite Sulzangen H0 und Zittau H0e mit DC-Car
-
wzimmermann
- Forumane
- Beiträge: 835
- Registriert: Freitag 30. März 2007, 22:37
- Wohnort: München
Re: Reflektions Lichtschranke
Hallo Kollegen,
ich habe diesen Bausatz von ELV: http://www.elv.de/output/controller.asp ... tail2=8353
öfters auf der Anlage eingesetzt. Man hat mit zwei Potis die Möglichkeit, die Empfindlichkeit und die Zeit einzustellen.
Gruß
Wolfgang Z.
ich habe diesen Bausatz von ELV: http://www.elv.de/output/controller.asp ... tail2=8353
öfters auf der Anlage eingesetzt. Man hat mit zwei Potis die Möglichkeit, die Empfindlichkeit und die Zeit einzustellen.
Gruß
Wolfgang Z.
Re: Reflektions Lichtschranke
Liebe Elektronik-Spezialisten. Jetzt weiß ich wieder nicht mehr weiter.
Hier die Schaltung provisorisch aufgebaut nach Günnis Plan. Wird die Reflektionslichtschranke(ganz oben rechts hinter den beiden braunen Widerständen) ausgelöst, dann liegen tatsächlich zwischen Emitter und plus 4,7V an. Die Widerstandwerte mußte ich dazu ändern auf R2=250kohm und R3 praktisch 0. Bei 5,2V Eingangsspannung ist aber 4,7V der höchste Wert, der vom BC327 durchgelassen wird. Die 4,7V reichen aber nicht, um ein 5V Relais sicher zu schalten.
FRAGE: Was kann ich ändern, um am Relais 5V zu haben.
Der Infrarotempfänger hat ohne Infraroteinstrahlung fast 900kohm und mit Infraroteinstrahlung etwa 500kohm. Das Bauteil ist phantastisch klein, nur ca. 2x3mm, und würde problemlos in die Strasse passen, deshalb möchte ich gern diese kleine Reflektionslichtschranke verwenden. Wenn ich z.Bsp. den Empfänger mit 10kohm überbrücke, habe ich sofort die vollen 5,2V am Relais.
FRAGE: Was kann ich ändern, um am Relais 5V zu haben.
Der Infrarotempfänger hat ohne Infraroteinstrahlung fast 900kohm und mit Infraroteinstrahlung etwa 500kohm. Das Bauteil ist phantastisch klein, nur ca. 2x3mm, und würde problemlos in die Strasse passen, deshalb möchte ich gern diese kleine Reflektionslichtschranke verwenden. Wenn ich z.Bsp. den Empfänger mit 10kohm überbrücke, habe ich sofort die vollen 5,2V am Relais.
Das Geheimnis des Erfolges liegt in der Beständigkeit des Ziels.
Gruß Torsten
Webseite Sulzangen H0 und Zittau H0e mit DC-Car
Gruß Torsten
Webseite Sulzangen H0 und Zittau H0e mit DC-Car
Re: Reflektions Lichtschranke
Hallo Torsten
Bei Günni's Schaltbild sind die Anschlussnummern 1 + 2 vertauscht
und Nummer 5 muss 3 sein.
Gruss Charly
Bei Günni's Schaltbild sind die Anschlussnummern 1 + 2 vertauscht
und Nummer 5 muss 3 sein.
Gruss Charly
Re: Reflektions Lichtschranke
Moin,
die sind nicht vertauscht, die habe ich vergessen zu löschen. Verd* Sch*
Bitte noch ein Bild von der, im jetzigen Bild, rechten Seite.
die sind nicht vertauscht, die habe ich vergessen zu löschen. Verd* Sch*
Bitte noch ein Bild von der, im jetzigen Bild, rechten Seite.
Gruß vom N-Bahner GüNNi
Surftipps: Polizeimuseum
Pressemitteilungen von Polizei, Feuerwehr und Zoll.
Surftipps: Polizeimuseum
Pressemitteilungen von Polizei, Feuerwehr und Zoll.
Re: Reflektions Lichtschranke
Die Polungen sind ausgemessen und alle richtig, sonst würde es gar nicht funktionieren. Der Teil mit der Fotodiode läßt auch nur in eine Richtung durch, wenn man etwas vertauscht geht die Schaltung gar nicht. Das Problem ist der hohe Innenwiderstand der Fotodiode, dadurch liegt an der Basis nicht genug Spannung an und der Transistor macht nicht voll auf. Ich kann doch aber den Innenwiderstand der Fotodiode nicht verkleinern.
Das Geheimnis des Erfolges liegt in der Beständigkeit des Ziels.
Gruß Torsten
Webseite Sulzangen H0 und Zittau H0e mit DC-Car
Gruß Torsten
Webseite Sulzangen H0 und Zittau H0e mit DC-Car
Re: Reflektions Lichtschranke
Moin,
in welchem Abstand hälst Du die Reflektionsfläche und was nimmst Du als solche?
(Du hast PM von mir)
in welchem Abstand hälst Du die Reflektionsfläche und was nimmst Du als solche?
(Du hast PM von mir)
Gruß vom N-Bahner GüNNi
Surftipps: Polizeimuseum
Pressemitteilungen von Polizei, Feuerwehr und Zoll.
Surftipps: Polizeimuseum
Pressemitteilungen von Polizei, Feuerwehr und Zoll.
Re: Reflektions Lichtschranke
Hallo sabahn,
ich empfehle Dir in günnis Schaltung das Relais aus dem Emitterkreis zu entfernen und in den Kollektorkreis zu legen. Dann darf aber der Widerstand R3 nicht mehr weggelassen werden. Damit sollte die Spannung am Relais auf das Maximum steigen.
Carsten
ich empfehle Dir in günnis Schaltung das Relais aus dem Emitterkreis zu entfernen und in den Kollektorkreis zu legen. Dann darf aber der Widerstand R3 nicht mehr weggelassen werden. Damit sollte die Spannung am Relais auf das Maximum steigen.
Carsten
Fehler sind menschlich, aber wer richtigen Mist bauen will, braucht einen Computer!
Re: Reflektions Lichtschranke
Danke Carsten, das probiere ich morgen.
Als Reflektor benutze ich im Moment einen Pinzettenrücken. Später soll das ein Stück Alufolie unter den Einsatzwagen machen.
Als Reflektor benutze ich im Moment einen Pinzettenrücken. Später soll das ein Stück Alufolie unter den Einsatzwagen machen.
Das Geheimnis des Erfolges liegt in der Beständigkeit des Ziels.
Gruß Torsten
Webseite Sulzangen H0 und Zittau H0e mit DC-Car
Gruß Torsten
Webseite Sulzangen H0 und Zittau H0e mit DC-Car
-
Brillentraeger
Re: Reflektions Lichtschranke
Hallo Torsten,
es könnte sein, dass es mit einen 327-40 besser geht als mit einen 327-16 oder 327-25, da ein 327-40 eine um 2,5Fach höhere Stromverstärkung hat als der 16er.
…alle BC327er haben ein UCEsat von 0,7V, das heißt wen der Transistor voll offen ist stehen weiterhin 0,7V zwischen Kollektor - C und Emitter -E, diese muss man von der Gesamtspannung UB abziehen.
…Du musst am Relais keine 5V stehen haben um es zu schalten, die meisten 5V Relais schalten bei genügend Strom schon unter 3V. Spulen schaltet man mit Strom und nicht mit Spannung, man kann an ein 5V Relais auch 10V anlegen, wenn man den Strom dabei unter den nötigen Schaltstrom begrenzt tut sich nix …grins…
…Transistoren arbeiten im Gegensatz zu Röhren und Fet’s mit der Stromverstärkung hfe, alle Berechnungen gehen auch hierüber…
… das auf dem Schaltbild ist eine Kollektorschaltung, Du musst dafür sorgen, dass der Arbeitstransistor BC327 genug Strom an der Basis bekommt, dann schaltet auch die Relais – Du könntest aber auch einen BD678 verwenden, der hat genug Stromverstärkung (ist aber elektronisch total überdimensioniert, was aber von der Langlebigkeit nicht schadet).
Grüße vom Hesselberg, Jürgen (VJ)
es könnte sein, dass es mit einen 327-40 besser geht als mit einen 327-16 oder 327-25, da ein 327-40 eine um 2,5Fach höhere Stromverstärkung hat als der 16er.
…alle BC327er haben ein UCEsat von 0,7V, das heißt wen der Transistor voll offen ist stehen weiterhin 0,7V zwischen Kollektor - C und Emitter -E, diese muss man von der Gesamtspannung UB abziehen.
…Du musst am Relais keine 5V stehen haben um es zu schalten, die meisten 5V Relais schalten bei genügend Strom schon unter 3V. Spulen schaltet man mit Strom und nicht mit Spannung, man kann an ein 5V Relais auch 10V anlegen, wenn man den Strom dabei unter den nötigen Schaltstrom begrenzt tut sich nix …grins…
…Transistoren arbeiten im Gegensatz zu Röhren und Fet’s mit der Stromverstärkung hfe, alle Berechnungen gehen auch hierüber…
… das auf dem Schaltbild ist eine Kollektorschaltung, Du musst dafür sorgen, dass der Arbeitstransistor BC327 genug Strom an der Basis bekommt, dann schaltet auch die Relais – Du könntest aber auch einen BD678 verwenden, der hat genug Stromverstärkung (ist aber elektronisch total überdimensioniert, was aber von der Langlebigkeit nicht schadet).
Grüße vom Hesselberg, Jürgen (VJ)
Re: Reflektions Lichtschranke
Moin,
so, ich werde die Lichtschranken bei der nächsten Bestellung einkaufen und der Sache mal auf den Grund gehen.
so, ich werde die Lichtschranken bei der nächsten Bestellung einkaufen und der Sache mal auf den Grund gehen.
Gruß vom N-Bahner GüNNi
Surftipps: Polizeimuseum
Pressemitteilungen von Polizei, Feuerwehr und Zoll.
Surftipps: Polizeimuseum
Pressemitteilungen von Polizei, Feuerwehr und Zoll.
Re: Reflektions Lichtschranke
Danke, Günni, das ist ein guter Vorschlag. Ich bin am Ende mit meinem Latein. Der BD678 schaltet sogar gleich durch, ganz ohne Basisstrom. Wir gehen das Projekt einfach mal langfristiger an.
Das Geheimnis des Erfolges liegt in der Beständigkeit des Ziels.
Gruß Torsten
Webseite Sulzangen H0 und Zittau H0e mit DC-Car
Gruß Torsten
Webseite Sulzangen H0 und Zittau H0e mit DC-Car
Re: Reflektions Lichtschranke
Hallo sabahn,
ich habe günnis Schaltung mal etwas optimiert. Die Einstellung der Empfindlichkeit ist meiner Meinung nach nicht nötig, da die Lichschranke sowieso sehr stark auf Umgebungslicht (Infrarot) reagiert. Wenn ich mir das Datenblatt so anschaue, dann ist der maximale Schaltabstand bei etwa 3mm erreicht um noch sicher etwas zu erkennen (Spiegel). Die Schaltung wird also nur im Dunkeln (Schattenbahnhof) sauber funktionieren. Beachte auch die richtige Beschaltung der Lichtschranke. Pin 1 -> Kathode, Pin2 -> Anode, Pin 3 -> Kollektor, Pin 4 -> Emitter. Der Transistor ist ein pnp-Typ (EBC) mit einer Stromverstärkung von typisch 160. Das sollte reichen um das Relais sicher anzusteuern. Das Relais ist nur ein Beispiel da ich nicht weiß welches Du verwendest.
Ich hoffe das es so funktioniert. Wie gesagt (geschrieben) ist die Schaltung lichtempfindlich!
PS: Das das mit dem BD678 nicht funktioniert ist nicht weiter verwunderlich (man will ja keine 4 Ampere schalten)!
Viel Spaß beim weiteren Testen
Carsten
ich habe günnis Schaltung mal etwas optimiert. Die Einstellung der Empfindlichkeit ist meiner Meinung nach nicht nötig, da die Lichschranke sowieso sehr stark auf Umgebungslicht (Infrarot) reagiert. Wenn ich mir das Datenblatt so anschaue, dann ist der maximale Schaltabstand bei etwa 3mm erreicht um noch sicher etwas zu erkennen (Spiegel). Die Schaltung wird also nur im Dunkeln (Schattenbahnhof) sauber funktionieren. Beachte auch die richtige Beschaltung der Lichtschranke. Pin 1 -> Kathode, Pin2 -> Anode, Pin 3 -> Kollektor, Pin 4 -> Emitter. Der Transistor ist ein pnp-Typ (EBC) mit einer Stromverstärkung von typisch 160. Das sollte reichen um das Relais sicher anzusteuern. Das Relais ist nur ein Beispiel da ich nicht weiß welches Du verwendest.
Ich hoffe das es so funktioniert. Wie gesagt (geschrieben) ist die Schaltung lichtempfindlich!
PS: Das das mit dem BD678 nicht funktioniert ist nicht weiter verwunderlich (man will ja keine 4 Ampere schalten)!
Viel Spaß beim weiteren Testen
Carsten
Fehler sind menschlich, aber wer richtigen Mist bauen will, braucht einen Computer!
Re: Reflektions Lichtschranke
Moin,
ich habe den ELI TR8307 getestet und er ist m.E. für das CS ungeeignet. Zu geringer Abstand zur Reflexfolie erforderlich.
ich habe den ELI TR8307 getestet und er ist m.E. für das CS ungeeignet. Zu geringer Abstand zur Reflexfolie erforderlich.
Gruß vom N-Bahner GüNNi
Surftipps: Polizeimuseum
Pressemitteilungen von Polizei, Feuerwehr und Zoll.
Surftipps: Polizeimuseum
Pressemitteilungen von Polizei, Feuerwehr und Zoll.
Re: Reflektions Lichtschranke
Moin,
mir ist gerade eine Idee gekommen, also bestelle ich erst mal das Material und werde Tests machen.
mir ist gerade eine Idee gekommen, also bestelle ich erst mal das Material und werde Tests machen.
Gruß vom N-Bahner GüNNi
Surftipps: Polizeimuseum
Pressemitteilungen von Polizei, Feuerwehr und Zoll.
Surftipps: Polizeimuseum
Pressemitteilungen von Polizei, Feuerwehr und Zoll.
-
Brillentraeger
Re: Reflektions Lichtschranke
Hallo liebe Lichtschrankengemeinde,
…habe die Schaltung mal mit den Bauteilen aufgebaut die ich so rumliegen hatte (weil ich so was z.B. als Besetztmelder verwende).
Meine Schaltung ist aber etwas anders, steure mit dem Fototransistor hochohmig einen CMOS Baustein (so wie man einen 4N27 beschaltet – einfache Grundschaltung).
Habe die Schaltung so aufgebaut wie in meinem Schaltplan. Sie funktioniert.
Besonderheiten: Schaltung ist auf 5V Betriebsspannung ausgelegt. Relais: 5V schaltet ein bei 3,1V und aus bei 1,9V (gemessen); Kondensatoren keramisch (die sind schneller als ELKOS); R mit Pmax 250mW; Transistor PNP mit Beta > 400 und 100mA, 60V, sonst Standardbauteile.
Die Schaltung von Carsten kann rechnerisch nicht funktionieren weil:
- wenn man einen Fototransistor mit zu viel Strom versorgt, der Selbige dicht macht d.h. R2 ist mit 1K viel zu klein
- Schaltungstechnisch die Kombination R1 /R2 vertauscht ist (dazu sag ich nix)
- und der Transistor eine zu kleine Stromverstärkung hat, das geht auf die Reichweite und verschiebt den Schaltpunkt des Relais auf hoch und dann kommt man mit UCE Sat in Konflikt
P.S. man fährt einen LKW auch nicht ständig Vollgas, mit einen 4A Transistor schaltet man max. 1A und das dann ohne Kühlkörper wenn man 4A schalten wollte nimmt man einen der mindestens 12A kann… Grund Haltbarkeit der Schaltung.
…habe die Schaltung mal mit den Bauteilen aufgebaut die ich so rumliegen hatte (weil ich so was z.B. als Besetztmelder verwende).
Meine Schaltung ist aber etwas anders, steure mit dem Fototransistor hochohmig einen CMOS Baustein (so wie man einen 4N27 beschaltet – einfache Grundschaltung).
Habe die Schaltung so aufgebaut wie in meinem Schaltplan. Sie funktioniert.
Besonderheiten: Schaltung ist auf 5V Betriebsspannung ausgelegt. Relais: 5V schaltet ein bei 3,1V und aus bei 1,9V (gemessen); Kondensatoren keramisch (die sind schneller als ELKOS); R mit Pmax 250mW; Transistor PNP mit Beta > 400 und 100mA, 60V, sonst Standardbauteile.
Die Schaltung von Carsten kann rechnerisch nicht funktionieren weil:
- wenn man einen Fototransistor mit zu viel Strom versorgt, der Selbige dicht macht d.h. R2 ist mit 1K viel zu klein
- Schaltungstechnisch die Kombination R1 /R2 vertauscht ist (dazu sag ich nix)
- und der Transistor eine zu kleine Stromverstärkung hat, das geht auf die Reichweite und verschiebt den Schaltpunkt des Relais auf hoch und dann kommt man mit UCE Sat in Konflikt
P.S. man fährt einen LKW auch nicht ständig Vollgas, mit einen 4A Transistor schaltet man max. 1A und das dann ohne Kühlkörper wenn man 4A schalten wollte nimmt man einen der mindestens 12A kann… Grund Haltbarkeit der Schaltung.
Zuletzt geändert von Brillentraeger am Dienstag 5. Februar 2013, 20:52, insgesamt 1-mal geändert.
Re: Reflektions Lichtschranke
Moin,
meine obige Schaltung funktioniert, das Problem ist lediglich der Abstand und der Winkel des Reflexkopplers zur Reflektionsfläche.
meine obige Schaltung funktioniert, das Problem ist lediglich der Abstand und der Winkel des Reflexkopplers zur Reflektionsfläche.
Gruß vom N-Bahner GüNNi
Surftipps: Polizeimuseum
Pressemitteilungen von Polizei, Feuerwehr und Zoll.
Surftipps: Polizeimuseum
Pressemitteilungen von Polizei, Feuerwehr und Zoll.